Запчасти Komatsu WA380-7 ГИДР. ПРОВОД. ОБОГРЕВАТЕЛЯ (№-) ГИДР. ПРОВОД. ОБОГРЕВАТЕЛЯ

Схема запчастей Komatsu WA380-7 - ГИДР. ПРОВОД. ОБОГРЕВАТЕЛЯ (№-) ГИДР. ПРОВОД. ОБОГРЕВАТЕЛЯ
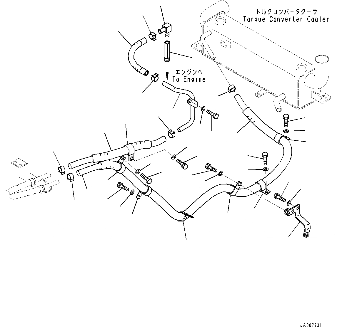
1
2
3
10
20
4
5
6
8
7
9
11
12
13
14
15
16
16
17
19
18
22
21
23
24
25
26
27
29
28
31
32
30
33
34
35
36
FIT
1:1
100%

Артикул

Название

Примечание

Количество

1

22B-979-1560

Adapter

SN: 10001-UP

1шт.

2

423-S62-4381

Elbow

SN: 10001-UP

1шт.

3

09479-12400

Clip

SN: 10001-UP

1шт.

4

423-07-51110

Hose

SN: 10001-UP

1шт.

5

09479-12400

Clip

SN: 10001-UP

1шт.

6

423-07-51150

Tube

SN: 10001-UP

1шт.

7

01010-81025

Bolt

SN: 10001-UP

1шт.

8

01643-31032

Washer

SN: 10001-UP

1шт.

9

09479-12400

Clip

SN: 10001-UP

1шт.

10

423-07-51160

Hose

SN: 10001-UP

1шт.

11

01010-81020

Bolt

SN: 10001-UP

1шт.

12

01643-31032

Washer

SN: 10001-UP

1шт.

13

04434-53411

Clip

SN: 10001-UP

1шт.

14

09479-12400

Clip

SN: 10001-UP

1шт.

15

09479-12400

Clip

SN: 10001-UP

1шт.

16

423-07-51120

Hose

SN: 10001-UP

1шт.

17

04434-53411

Clip

SN: 10001-UP

1шт.

18

01010-81025

Bolt

SN: 10001-UP

1шт.

19

01643-31032

Washer

SN: 10001-UP

1шт.

20

04434-53411

Clip

SN: 10001-UP

1шт.

21

01010-81020

Bolt

SN: 10001-UP

1шт.

22

01643-31032

Washer

SN: 10001-UP

1шт.

23

423-07-51130

Bracket

SN: 10001-UP

1шт.

24

01010-81025

Bolt

SN: 10001-UP

2шт.

25

01643-31032

Washer

SN: 10001-UP

2шт.

26

04434-53411

Clip

SN: 10001-UP

1шт.

27

04434-53411

Clip

SN: 10001-UP

1шт.

28

01010-81020

Bolt

SN: 10001-UP

1шт.

29

01643-31032

Washer

SN: 10001-UP

1шт.

30

04434-53411

Clip

SN: 10001-UP

1шт.

31

01010-81020

Bolt

SN: 10001-UP

1шт.

32

01643-31032

Washer

SN: 10001-UP

1шт.

33

09479-12400

Clip

SN: 10001-UP

1шт.

34

04434-53411

Clip

SN: 10001-UP

1шт.

35

01010-81020

Bolt

SN: 10001-UP

1шт.

36

01643-31032

Washer

SN: 10001-UP

1шт.

Выбрано товаров: 36