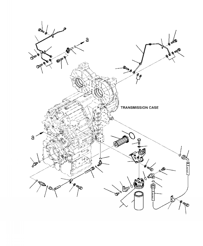
Запчасти Komatsu WA380-7 F-A ГИДРОЛИНИЯ ТРАНСМИССИИ СИЛОВАЯ ПЕРЕДАЧА И КОНЕЧНАЯ ПЕРЕДАЧА

Схема запчастей Komatsu WA380-7 - F-A ГИДРОЛИНИЯ ТРАНСМИССИИ СИЛОВАЯ ПЕРЕДАЧА И КОНЕЧНАЯ ПЕРЕДАЧА
1
2
3
3
4
5
6
5
6
7
7
8
9
10
11
12
13
14
15
16
15
17
18
19
20
21
22
25
23
24
25
26
27
28
29
30
31
32
33
34
35
34
36
37
38
39
40
41
44
42
43
44
45
47
46
47
48
49
48
49
FIT
1:1
100%

Артикул

Название

Примечание

Количество

|$50

TRANSMISSION ASSEMBLY F4300-01A0

0

-1шт.

1

56D-15-19311

STRAINER

1шт.

2

07000-75085

O-RING

1шт.

3

423-03-31231

ELBOW

2шт.

4

421-09-31140

O-RING

1шт.

5

07040-11007

PLUG

2шт.

6

07002-61023

O-RING

2шт.

7

07002-63334

O-RING

2шт.

8

714-07-28703

FILTER ASSEMBLY

1шт.

9

714-07-28713

CARTRIDGE

1шт.

10

01010-81030

BOLT

4шт.

11

01643-31032

WASHER

4шт.

12

714-17-38751

SUPPORT

1шт.

13

01010-81230

BOLT

3шт.

14

01643-31232

WASHER

3шт.

15

714-12-48811

HOSE

1шт.

16

04434-53411

CLIP

1шт.

17

421-09-31140

O-RING

1шт.

18

01010-81020

BOLT

1шт.

19

01643-31032

WASHER

1шт.

20

714-17-38131

ELBOW

1шт.

21

07002-62034

O-RING

1шт.

22

714-17-38890

TUBE

1шт.

23

07206-30710

BOLT, JOINT

2шт.

24

07005-01012

SEAL, WASHER

4шт.

25

04434-50610

CLIP

2шт.

26

01010-81020

BOLT

2шт.

27

01643-31032

WASHER

2шт.

28

02782-10311

ELBOW

1шт.

29

02896-61009

O-RING

1шт.

30

07002-61423

O-RING

1шт.

31

20U-62-41710

NIPPLE

1шт.

32

02896-61009

O-RING

1шт.

33

07002-61423

O-RING

1шт.

34

714-12-28820

HOSE

1шт.

35

04434-51610

CLIP

1шт.

36

01010-81020

BOLT

1шт.

37

01643-31032

WASHER

1шт.

38

714-12-48840

ADAPTER

2шт.

39

01252-A0825

BOLT, HEXAGON SOCKET HEAD

4шт.

40

01643-30823

WASHER

4шт.

41

07000-72012

O-RING

2шт.

42

714-12-48820

TUBE

1шт.

43

23B-15-79810

BOLT, JOINT

1шт.

44

07005-01012

SEAL, WASHER

3шт.

45

07206-30710

BOLT, JOINT

2шт.

46

07005-01012

SEAL, WASHER

4шт.

47

04434-50610

CLIP

2шт.

48

01010-81020

BOLT

2шт.

49

01643-31032

WASHER

2шт.

Выбрано товаров: 0