Запчасти Komatsu WA380-7 F-A ТРАНСМИССИЯ АКСЕССУАРЫ (/) СИЛОВАЯ ПЕРЕДАЧА И КОНЕЧНАЯ ПЕРЕДАЧА

Схема запчастей Komatsu WA380-7 - F-A ТРАНСМИССИЯ АКСЕССУАРЫ (/) СИЛОВАЯ ПЕРЕДАЧА И КОНЕЧНАЯ ПЕРЕДАЧА
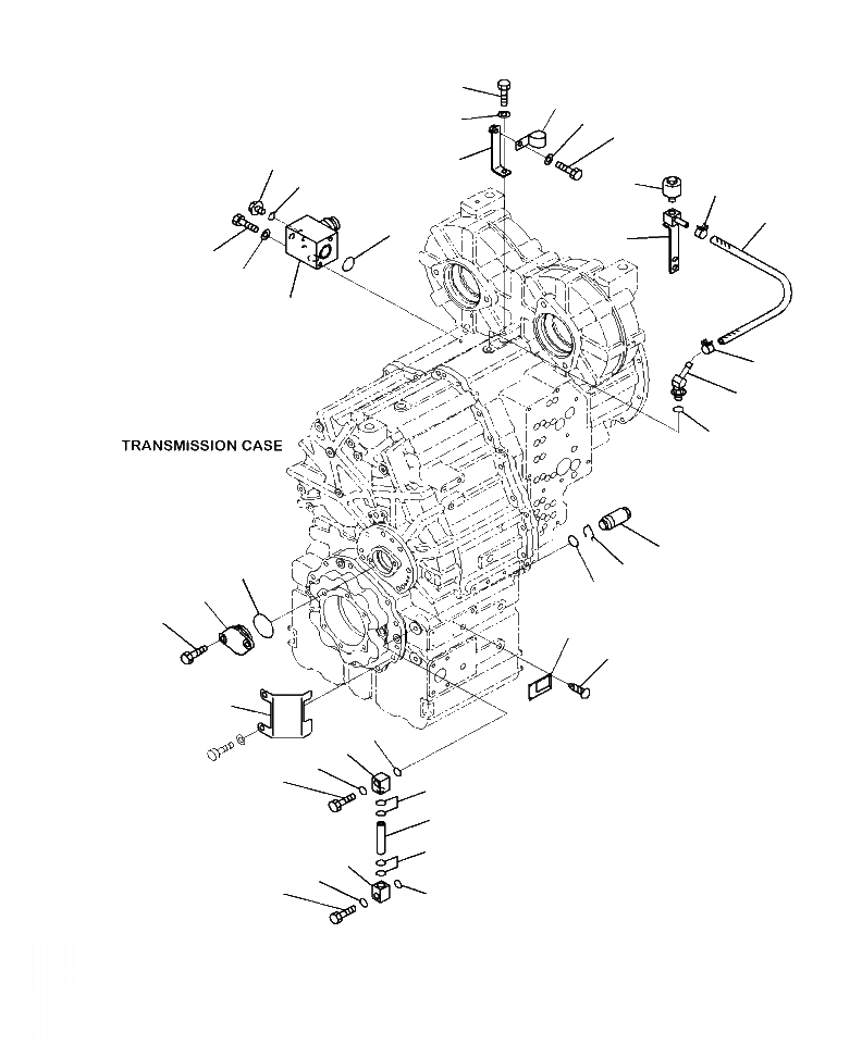
1
2
3
4
5
6
5
6
7
8
9
10
9
11
12
13
14
15
16
17
18
19
20
21
22
23
22
21
22
20
22
24
23
26
27
28
25
29
30
FIT
1:1
100%

Артикул

Название

Примечание

Количество

|$32

TRANSMISSION ASSEMBLY F4300-01A0

0

-1шт.

1

714-07-38130

ELBOW

1шт.

2

07002-61023

O-RING

1шт.

3

423-62-51590

BLOCK

1шт.

4

423-62-51670

BRACKET

1шт.

5

01010-81025

BOLT

2шт.

6

01643-31032

WASHER

2шт.

7

04434-51610

CLIP

1шт.

8

423-62-51660

HOSE

1шт.

9

11Y-09-11140

CLIP

2шт.

10

07030-00252

BREATHER

1шт.

11

419-15-18241

PLUG

1шт.

12

07002-62434

O-RING

1шт.

13

419-15-18251

RING, SNAP

1шт.

14

NSS

PLATE, NAME

1шт.

15

04418-13060

SCREW

4шт.

16

714-13-11350

COVER

1шт.

17

01010-81225

BOLT

2шт.

18

07000-72065

O-RING

1шт.

|$19

714-12-38400

GAUGE ASSEMBLY

1шт.

19

714-12-38410

TUBE

1шт.

20

714-12-38420

BLOCK

2шт.

21

714-12-38430

BOLT

2шт.

22

714-12-38440

O-RING

4шт.

23

07000-A2016

O-RING

4шт.

24

714-17-38550

COVER

1шт.

25

714-12-48180

BLOCK

1шт.

26

01011-81030

BOLT

2шт.

27

01643-31032

WASHER

2шт.

28

07000-73035

O-RING

1шт.

29

708-8E-16150

PLUG

1шт.

30

07002-61023

O-RING

1шт.

Выбрано товаров: 32