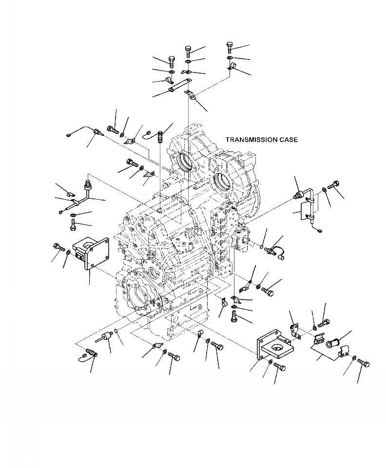
Запчасти Komatsu WA380-7 F-9A ТРАНСМИССИЯ НАВЕСН. ОБОРУД СИЛОВАЯ ПЕРЕДАЧА И КОНЕЧНАЯ ПЕРЕДАЧА

Схема запчастей Komatsu WA380-7 - F-9A ТРАНСМИССИЯ НАВЕСН. ОБОРУД СИЛОВАЯ ПЕРЕДАЧА И КОНЕЧНАЯ ПЕРЕДАЧА
1
2
3
1
2
3
38
39
41
29
30
31
37
19
38
39
40
36
20
21
8
4
5
6
7
25
26
27
28
9
10
17
18
16
22
23
24
25
28
32
14
15
11
12
13
11
20
21
31
35
34
33
42
43
44
45
46
47
48
FIT
1:1
100%

Артикул

Название

Примечание

Количество

1

423-01-52110

BRACKET

2шт.

2

01010-61650

BOLT

8шт.

3

01643-31645

WASHER

8шт.

4

7861-93-3320

SENSOR, TEMPERATURE

1шт.

5

08193-20010

CLIP

1шт.

6

01010-81020

BOLT

1шт.

7

01643-31032

WASHER

1шт.

8

08193-20010

CLIP

1шт.

9

799-101-5220

NIPPLE

2шт.

10

07002-61023

O-RING

2шт.

11

600-051-2060

CLIP

2шт.

12

01010-81020

BOLT

1шт.

13

01643-31032

WASHER

1шт.

14

418-43-37681

SWITCH, PRESSURE

1шт.

15

07002-61423

O-RING

1шт.

16

714-17-35280

BRACKET

1шт.

17

01010-81025

BOLT

1шт.

18

01643-31032

WASHER

1шт.

19

7861-93-2330

SENSOR, T/M INPUT SPEED

1шт.

20

01010-81020

BOLT

2шт.

21

01643-31032

WASHER

2шт.

22

600-051-2060

CLIP

1шт.

23

01010-81020

BOLT

1шт.

24

01643-31032

WASHER

1шт.

25

56D-15-39910

SENSOR, PRESSURE

2шт.

26

01010-81016

BOLT

2шт.

27

01643-31032

WASHER

2шт.

28

600-051-2100

CLIP

3шт.

29

01010-81030

BOLT

1шт.

30

01643-31032

WASHER

1шт.

31

08193-20010

CLIP

2шт.

32

7861-93-2330

SENSOR, SPEED

1шт.

33

01010-81016

BOLT

1шт.

34

01643-31032

WASHER

1шт.

35

08193-20010

CLIP

1шт.

36

56B-06-14360

PLATE

1шт.

37

714-12-38760

BRACKET

1шт.

38

01010-81020

BOLT

2шт.

39

01643-31032

WASHER

2шт.

40

600-051-2060

CLIP

1шт.

41

600-051-2080

CLIP

1шт.

42

423-62-51260

BRACKET

1шт.

43

01010-81020

BOLT

2шт.

44

01643-31032

WASHER

2шт.

45

22P-62-13530

CLAMP

2шт.

46

07095-01033

CUSHION

1шт.

47

01010-81280

BOLT

2шт.

48

01643-31232

WASHER

2шт.

Выбрано товаров: 48