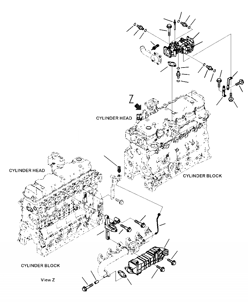
Запчасти Komatsu WA380-7 A-AA ВЫПУСКН. GAS RECIRCULATION (EGR) КЛАПАН И ОХЛАДИТЕЛЬ ДВИГАТЕЛЬ

Схема запчастей Komatsu WA380-7 - A-AA ВЫПУСКН. GAS RECIRCULATION (EGR) КЛАПАН И ОХЛАДИТЕЛЬ ДВИГАТЕЛЬ
1
2
3
4
3
4
6
5
7
8
9
10
11
12
13
28
14
15
16
17
18
19
20
21
22
23
24
23
25
26
27
2
30
29
FIT
1:1
100%

Артикул

Название

Примечание

Количество

|$0

6755-41-9200

VALVE ASSEMBLY, EXHAUST

1шт.

1

6755-41-9100

VALVE

1шт.

2

02781-0031D

UNION

2шт.

3

07002-21423

O-RING

2шт.

4

02896-21009

O-RING

2шт.

5

02781-0021D

UNION

1шт.

6

07002-21423

O-RING

1шт.

7

02896-21008

O-RING

1шт.

8

02781-00313

UNION

1шт.

9

07002-21823

O-RING

1шт.

10

02896-21009

O-RING

1шт.

11

6755-11-9110

GASKET

1шт.

12

6736-81-6190

BOLT

1шт.

13

6745-81-9640

STUD

1шт.

14

6732-62-3220

BOLT

1шт.

15

6755-11-9120

BRACE

1шт.

16

01435-00820

BOLT

2шт.

17

01435-01020

BOLT

1шт.

18

6755-11-9130

BRACE

1шт.

19

6755-11-9140

SUPPORT

1шт.

20

6732-61-3170

BOLT

1шт.

21

6751-71-6340

BOLT

2шт.

22

6755-61-7100

COOLER

1шт.

23

6732-71-3220

BOLT

2шт.

24

6754-11-5141

GASKET

1шт.

25

6754-11-5150

SPACER

2шт.

26

6732-11-5860

BOLT

2шт.

27

6755-11-9150

TUBE

1шт.

28

6755-81-9130

SENSOR, TEMPERATURE

1шт.

29

6271-81-9300

SENSOR, PRESSURE

1шт.

30

6755-81-9140

RETAINER

1шт.

Выбрано товаров: 31