Запчасти Komatsu WA380-7 F-A ГИДРОТРАНСФОРМАТОР И ТРАНСМИССИЯ НАПОЛНИТЕЛЬ ТРУБКА СИЛОВАЯ ПЕРЕДАЧА И КОНЕЧНАЯ ПЕРЕДАЧА

Схема запчастей Komatsu WA380-7 - F-A ГИДРОТРАНСФОРМАТОР И ТРАНСМИССИЯ НАПОЛНИТЕЛЬ ТРУБКА СИЛОВАЯ ПЕРЕДАЧА И КОНЕЧНАЯ ПЕРЕДАЧА
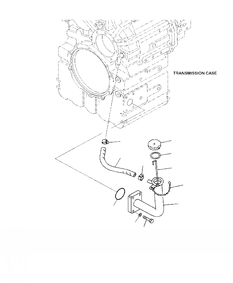
1
2
3
4
5
6
7
8
9
10
9
FIT
1:1
100%

Артикул

Название

Примечание

Количество

1

714-12-38510

TUBE

1шт.

2

6136-21-7120

CAP ASSEMBLY

1шт.

3

6136-21-7180

GASKET

1шт.

4

6136-21-7190

CHAIN

1шт.

5

423-15-52110

GAUGE

1шт.

6

07000-12065

O-RING

1шт.

7

01010-81045

BOLT

4шт.

8

01643-31032

WASHER

4шт.

9

09479-02400

CLAMP

2шт.

10

07260-21428

HOSE

1шт.

Выбрано товаров: 10