Качественные детали и логистика
Оригинальные и аналоговые запчасти с доставкой по России, Казахстану и Беларуси
©2022 PartSell ООО "Система" ИНН 2463123282 ОГРН 1212400004838
Центральный офис: г. Красноярск, Академика Киренского, д.87, пом.4
Телефон: 8 (800) 777-65-74 Email: zakaz@partsell.ru
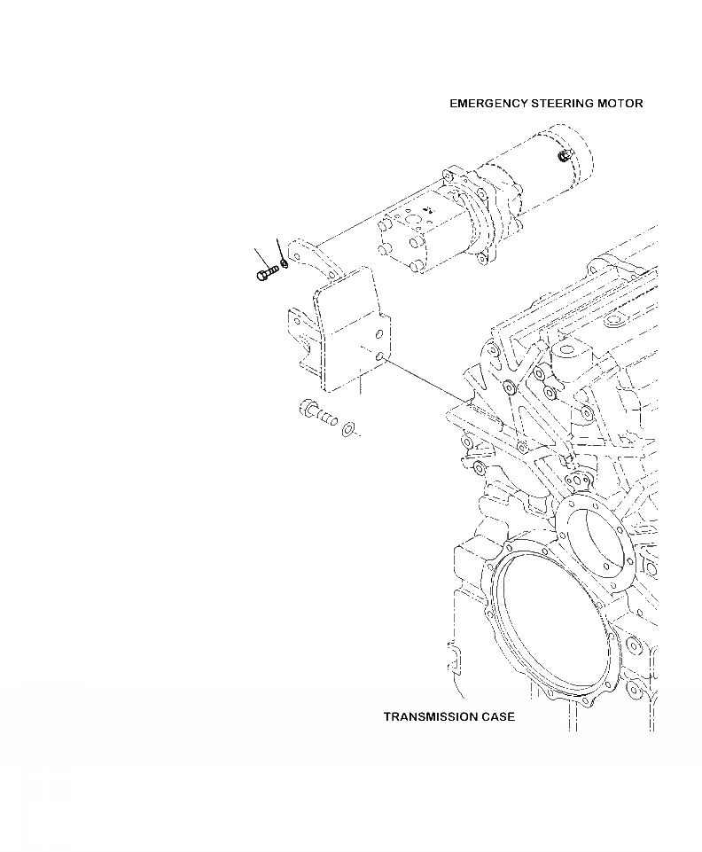
F-A ГИДРОТРАНСФОРМАТОР И ТРАНСМИССИЯ ЭКСТРЕНН. РУЛЕВ. УПРАВЛЕНИЕ МОТОР КРЕПЛЕНИЕ
№
Артикул
Название
Примечание
Количество
1
01010-81035
BOLT
4шт.
2
01643-31032
WASHER
Выбрано товаров: 0