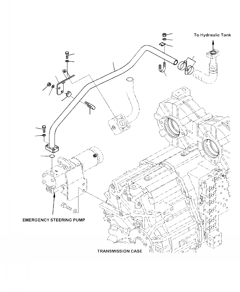
Запчасти Komatsu WA380-7 F-9A ГИДРОТРАНСФОРМАТОР И ТРАНСМИССИЯ ЭКСТРЕНН. РУЛЕВ. УПРАВЛЕНИЕ ГИДР. НАСОС. ВСАСЫВ. ЛИНИЯ СИЛОВАЯ ПЕРЕДАЧА И КОНЕЧНАЯ ПЕРЕДАЧА

Схема запчастей Komatsu WA380-7 - F-9A ГИДРОТРАНСФОРМАТОР И ТРАНСМИССИЯ ЭКСТРЕНН. РУЛЕВ. УПРАВЛЕНИЕ ГИДР. НАСОС. ВСАСЫВ. ЛИНИЯ СИЛОВАЯ ПЕРЕДАЧА И КОНЕЧНАЯ ПЕРЕДАЧА
1
2
3
4
5
6
7
8
9
10
11
12
13
14
15
16
FIT
1:1
100%

Артикул

Название

Примечание

Количество

1

423-62-51520

TUBE

1шт.

2

07000-13032

O-RING

1шт.

3

07372-21040

BOLT

4шт.

4

01643-51032

WASHER

4шт.

5

07289-00045

CLAMP, HOSE

2шт.

6

423-62-51540

BRACKET

1шт.

7

01010-81025

BOLT

2шт.

8

01643-31032

WASHER

2шт.

9

07283-33450

CLIP

1шт.

10

07283-53444

SEAT

1шт.

11

01597-01009

NUT

2шт.

12

01643-31032

WASHER

2шт.

13

07283-33450

CLIP

1шт.

14

07283-53444

SEAT

1шт.

15

01597-01009

NUT

2шт.

16

01643-31032

WASHER

2шт.

Выбрано товаров: 16