Качественные детали и логистика
Оригинальные и аналоговые запчасти с доставкой по России, Казахстану и Беларуси
©2022 PartSell ООО "Система" ИНН 2463123282 ОГРН 1212400004838
Центральный офис: г. Красноярск, Академика Киренского, д.87, пом.4
Телефон: 8 (800) 777-65-74 Email: zakaz@partsell.ru
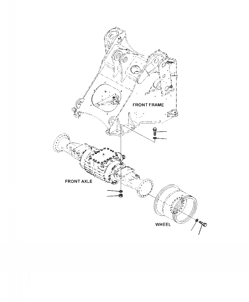
F-A ПЕРЕДНИЙ МОСТ КОЛЕСА ОБОД КОЛЕСА КРЕПЛЕНИЕ
№
Артикул
Название
Примечание
Количество
|$8
AXLE, FRONT (STD) F4400-01A0
0
-1шт.
|$9
OR
1
|$10
AXLE, FRONT (LSD) F4400-01A0
2
419-22-12870
BOLT
36шт.
01643-32460
WASHER
3
01011-62770
8шт.
4
01643-32780
16шт.
5
01580-02722
NUT
Выбрано товаров: 0