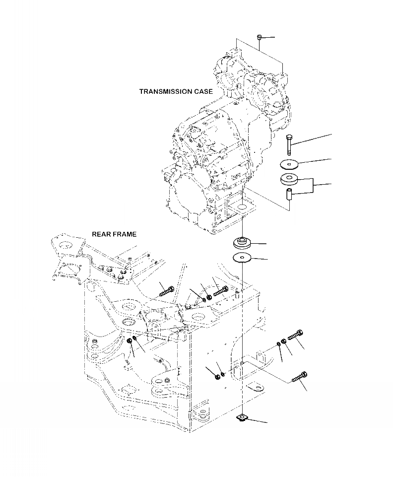
Запчасти Komatsu WA380-7 F8-A КОРПУС ПЕРЕДАЧИ КРЕПЛЕНИЕ СИЛОВАЯ ПЕРЕДАЧА И КОНЕЧНАЯ ПЕРЕДАЧА

Схема запчастей Komatsu WA380-7 - F8-A КОРПУС ПЕРЕДАЧИ КРЕПЛЕНИЕ СИЛОВАЯ ПЕРЕДАЧА И КОНЕЧНАЯ ПЕРЕДАЧА
1
2
3
1
2
3
4
5
6
4
5
6
7
8
9
7
10
11
12
FIT
1:1
100%

Артикул

Название

Примечание

Количество

1

01017-52010

BOLT

2шт.

2

01580-12016

NUT

2шт.

3

01643-32060

WASHER

2шт.

4

01017-52010

BOLT

2шт.

5

01580-12016

NUT

2шт.

6

01643-32060

WASHER

2шт.

7

424-01-11310

CUSHION

2шт.

8

424-01-41230

WASHER

2шт.

9

01011-62440

BOLT

2шт.

10

424-01-41230

WASHER

2шт.

11

423-01-52120

BRACKET

2шт.

12

07049-02430

PLUG

2шт.

Выбрано товаров: 12