Запчасти Komatsu WA380-7 H-8A ОСНОВН. УПРАВЛЯЮЩ. КЛАПАН 2-Х СЕКЦИОНН. КЛАПАН (8/8) ГИДРАВЛИКА

Схема запчастей Komatsu WA380-7 - H-8A ОСНОВН. УПРАВЛЯЮЩ. КЛАПАН 2-Х СЕКЦИОНН. КЛАПАН (8/8) ГИДРАВЛИКА
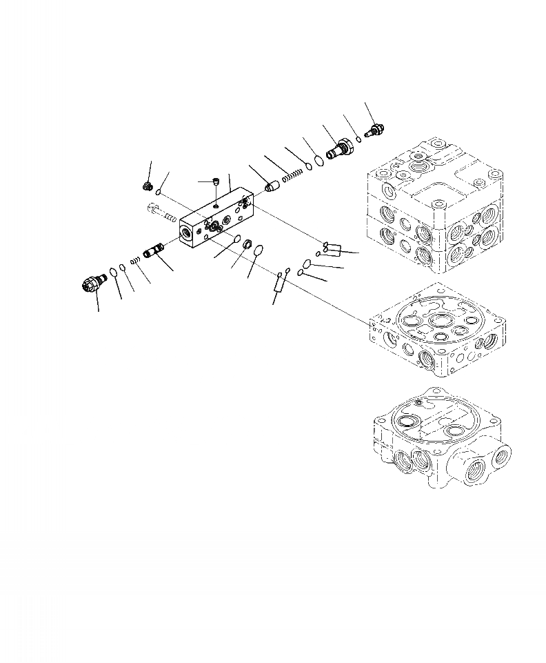
1
2
3
4
5
6
7
8
9
10
11
12
13
14
15
16
17
17
18
19
20
21
22
FIT
1:1
100%

Артикул

Название

Примечание

Количество

|$24

VALVE, CONTROL, 2-SPOOL H0120-01A0

0

-1шт.

|$1

723-50-62201

VALVE ASSEMBLY

1шт.

1

723-60-27400

VALVE, RELIEF

1шт.

2

702-16-53920

O-RING

1шт.

3

07002-11623

O-RING

1шт.

4

NSS

BLOCK

1шт.

5

NSS

SPOOL

1шт.

6

NSS

SPRING

1шт.

7

723-56-31610

VALVE

1шт.

8

723-56-31620

SPRING

1шт.

9

723-50-61440

PLUG

1шт.

10

07000-12010

O-RING

1шт.

11

07002-12034

O-RING

1шт.

12

708-2L-35530

PLUG

1шт.

13

07002-61023

O-RING

1шт.

14

702-21-53130

FILTER

1шт.

15

702-21-55520

O-RING

1шт.

16

702-21-55420

O-RING

1шт.

17

07000-11007

O-RING

5шт.

18

07000-12015

O-RING

1шт.

19

NSS

PLUG

1шт.

20

723-11-18190

PLUG

1шт.

21

07002-11023

O-RING

1шт.

22

07000-11010

O-RING

1шт.

Выбрано товаров: 24