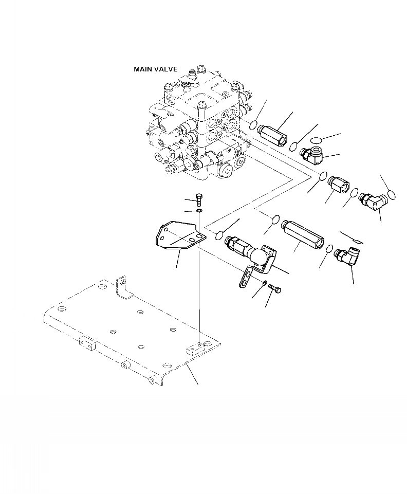
Запчасти Komatsu WA380-7 H-A ОСНОВН. УПРАВЛЯЮЩ. КЛАПАН ПОДАЮЩ. ТРУБЫ СОЕДИН-ЕS (2-Х СЕКЦИОНН. КЛАПАН) ГИДРАВЛИКА

Схема запчастей Komatsu WA380-7 - H-A ОСНОВН. УПРАВЛЯЮЩ. КЛАПАН ПОДАЮЩ. ТРУБЫ СОЕДИН-ЕS (2-Х СЕКЦИОНН. КЛАПАН) ГИДРАВЛИКА
2
1
9
10
8
7
16
12
11
17
6
14
5
7
4
3
6
15
13
5
19
18
20
FIT
1:1
100%

Артикул

Название

Примечание

Количество

1

423-62-34460

JOINT

1шт.

2

07000-B3024

O-RING

1шт.

3

423-62-43120

JOINT

1шт.

4

07000-B3024

O-RING

1шт.

5

02782-10628

ELBOW

2шт.

6

07002-62434

O-RING

2шт.

7

02896-61018

O-RING

2шт.

8

02782-10628

ELBOW

1шт.

9

07002-62434

O-RING

1шт.

10

02896-61018

O-RING

1шт.

11

423-62-36940

JOINT

1шт.

12

07000-B3024

O-RING

1шт.

13

423-62-43411

ELBOW

1шт.

14

07000-B3024

O-RING

1шт.

15

423-62-52570

BRACKET

1шт.

16

01010-81020

BOLT

2шт.

17

01643-31032

WASHER

2шт.

18

01010-81025

BOLT

2шт.

19

01643-31032

WASHER

2шт.

20

BRACKET ( H0120-09A0

-1шт.

Выбрано товаров: 20