Запчасти Komatsu WA380-7 A8-AA KOMATSU DIESEL ЧАСТЬICULATE ФИЛЬТР. (KDPF) КРЕПЛЕНИЕ (/) ДВИГАТЕЛЬ

Схема запчастей Komatsu WA380-7 - A8-AA KOMATSU DIESEL ЧАСТЬICULATE ФИЛЬТР. (KDPF) КРЕПЛЕНИЕ (/) ДВИГАТЕЛЬ
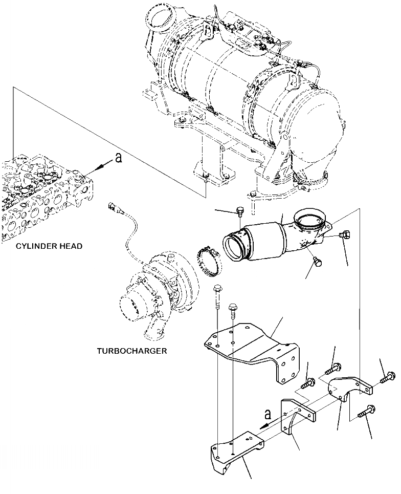
1
2
3
2
4
5
6
7
8
9
10
11
FIT
1:1
100%

Артикул

Название

Примечание

Количество

1

6755-11-5210

BRACKET

1шт.

2

6215-11-5920

PLUG

2шт.

3

6755-11-5230

BRACKET

1шт.

4

6755-11-5220

PLATE

1шт.

5

6754-11-5980

BOLT

2шт.

6

6755-11-5240

PLATE

1шт.

7

01435-01035

BOLT

1шт.

8

01435-01040

BOLT

1шт.

9

01435-01030

BOLT

2шт.

10

6755-11-5300

TUBE

1шт.

11

6746-11-5330

PLUG

1шт.

Выбрано товаров: 11