Запчасти Komatsu WA380-7 H-7A ОСНОВН. УПРАВЛЯЮЩ. КЛАПАН PPC ТРУБЫ СОЕДИН-ЕS (3-Х СЕКЦИОНН. КЛАПАН) (/) ГИДРАВЛИКА

Схема запчастей Komatsu WA380-7 - H-7A ОСНОВН. УПРАВЛЯЮЩ. КЛАПАН PPC ТРУБЫ СОЕДИН-ЕS (3-Х СЕКЦИОНН. КЛАПАН) (/) ГИДРАВЛИКА
1
2
3
4
5
6
7
6
7
3
4
5
6
7
6
7
FIT
1:1
100%

Артикул

Название

Примечание

Количество

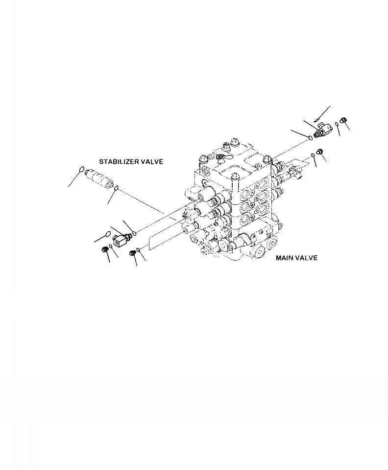
1

02896-11009

O-RING

1шт.

2

07002-11423

O-RING

1шт.

3

423-62-34290

ELBOW

2шт.

4

07002-11423

O-RING

2шт.

5

02896-11009

O-RING

2шт.

6

423-62-52290

PLUG

6шт.

7

07002-11023

O-RING

6шт.

Выбрано товаров: 7