Запчасти Komatsu WA380-7 H-A ГИДР. НАСОС. ВЕНТИЛЯТОР ОХЛАЖДЕНИЯ НАСОС (/) ГИДРАВЛИКА

Схема запчастей Komatsu WA380-7 - H-A ГИДР. НАСОС. ВЕНТИЛЯТОР ОХЛАЖДЕНИЯ НАСОС (/) ГИДРАВЛИКА
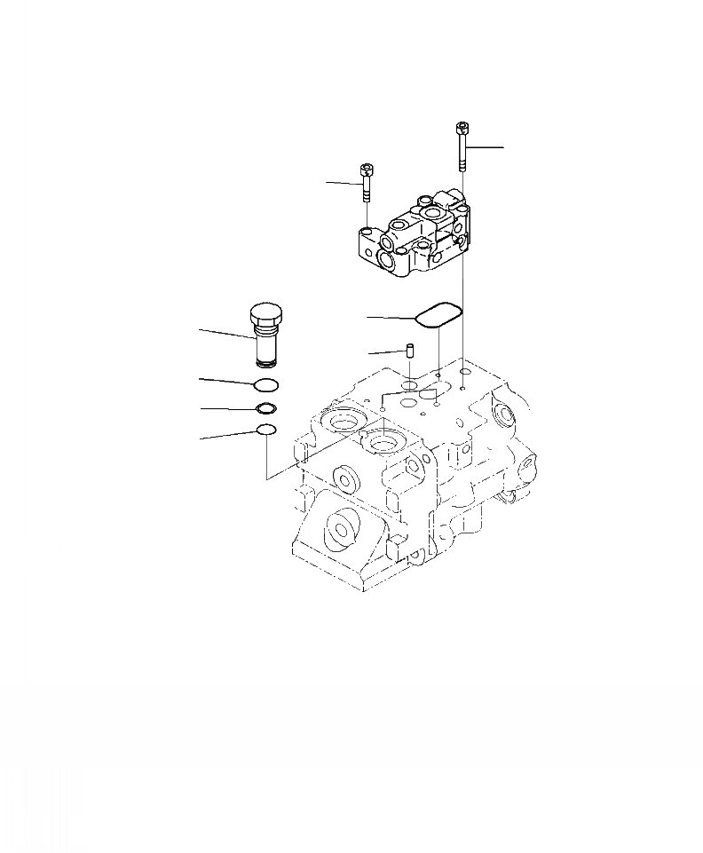
1
2
3
4
5
6
7
8
FIT
1:1
100%

Артикул

Название

Примечание

Количество

|$9

PUMP, COOLING FAN SEE FIG. H0210-11A0

0

-1шт.

1

07000-B3040

O-RING

1шт.

2

01252-60650

BOLT, HEXAGON SOCKET HEAD

1шт.

3

01252-60635

BOLT, HEXAGON SOCKET HEAD

3шт.

4

04020-00616

PIN, DOWEL

2шт.

5

708-1S-19930

PLUG

1шт.

6

723-60-22230

RING, BACK-UP

1шт.

7

07000-B2016

O-RING

1шт.

8

07002-62434

O-RING

1шт.

|$10

9

-1шт.

|$11

F1 - THIS PART IS SUPPLIED AS PART OF THE ASSEMBLY. HOWEVER, IT IS AVAILABLE AS AN INDIVIDUAL PART TO AUTHORIZED DISTRIBUTORS ONLY.

10

-1шт.

Выбрано товаров: 11