Качественные детали и логистика
Оригинальные и аналоговые запчасти с доставкой по России, Казахстану и Беларуси
©2022 PartSell ООО "Система" ИНН 2463123282 ОГРН 1212400004838
Центральный офис: г. Красноярск, Академика Киренского, д.87, пом.4
Телефон: 8 (800) 777-65-74 Email: zakaz@partsell.ru
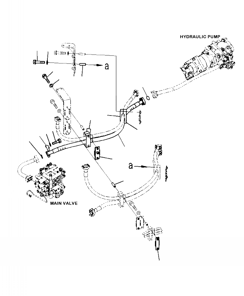
H-A ГИДРОЛИНИЯ ЛИНИЯ ПОДАЧИ
№
Артикул
Название
Примечание
Количество
1
423-62-52110
HOSE
1шт.
2
07000-13032
O-RING
2шт.
3
07371-31049
FLANGE, SPLIT
4шт.
4
07372-21035
BOLT
8шт.
5
01643-51032
WASHER
6
423-62-43221
PLATE
7
423-62-43211
8
01010-81095
9
01643-31032
10
423-62-34250
RUBBER
11
423-62-35270
12
417-62-23690
Выбрано товаров: 0