Запчасти Komatsu WA380-7 A999-AA ДВИГАТЕЛЬ ХЛАДАГЕНТ ВЕНТИЛЯТОР ДВИГАТЕЛЬ

Схема запчастей Komatsu WA380-7 - A999-AA ДВИГАТЕЛЬ ХЛАДАГЕНТ ВЕНТИЛЯТОР ДВИГАТЕЛЬ
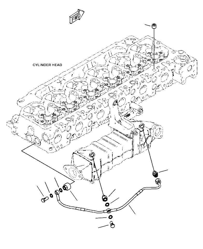
1
2
3
4
5
6
6
6
7
6
7
FIT
1:1
100%

Артикул

Название

Примечание

Количество

1

6732-61-2240

PLUG

1шт.

2

6755-61-7110

CONNECTOR

1шт.

3

6755-61-7120

UNION

1шт.

4

6755-61-7140

CONNECTOR

1шт.

N/I

6735-21-1970

O-RING

1шт.

N/I

6755-61-7150

CONNECTOR

1шт.

5

6755-61-7160

TUBE

1шт.

6

6755-61-7170

SEAL, WASHER

4шт.

7

6755-61-7180

BOLT

2шт.

Выбрано товаров: 9