Запчасти Komatsu WA380-7 J-A ЗАДН. МОСТ СУППОРТ ОСНОВНАЯ РАМА И ЕЕ ЧАСТИ

Схема запчастей Komatsu WA380-7 - J-A ЗАДН. МОСТ СУППОРТ ОСНОВНАЯ РАМА И ЕЕ ЧАСТИ
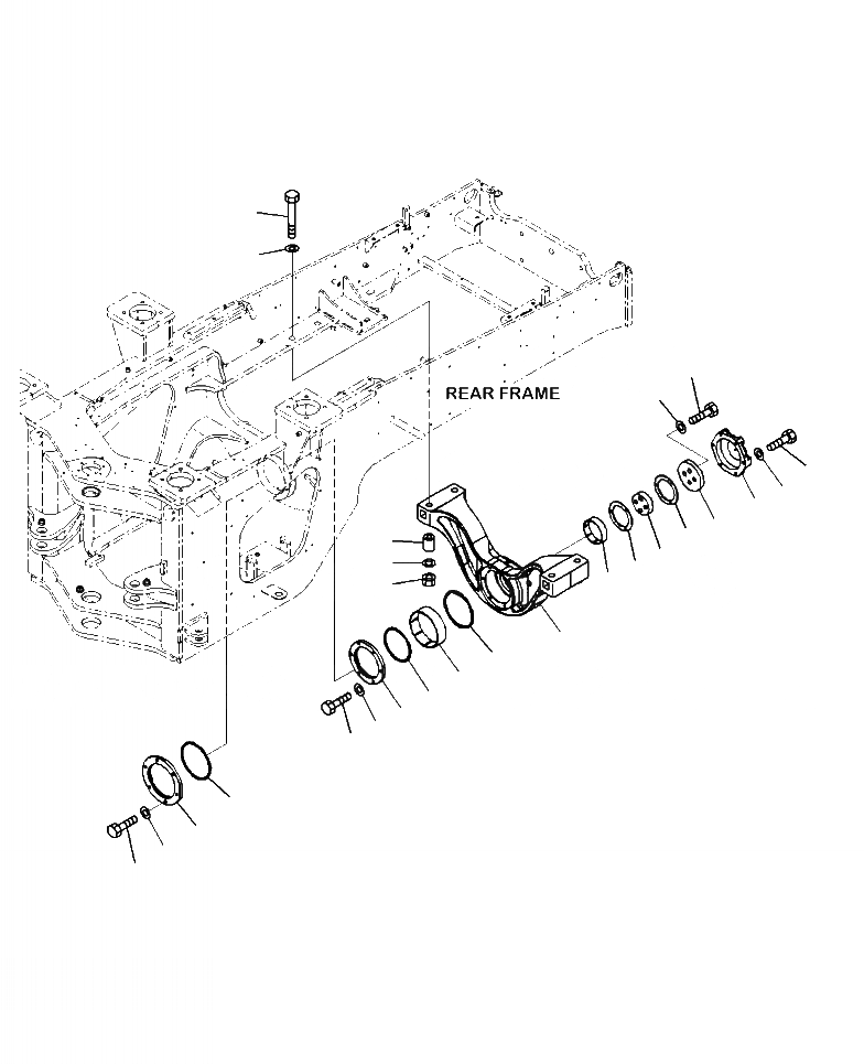
1
2
3
4
5
6
7
8
7
9
10
11
12
13
14
15
16
17
18
19
20
21
23
22
23
24
FIT
1:1
100%

Артикул

Название

Примечание

Количество

1

423-46-37110

SUPPORT

1шт.

2

424-46-12172

BUSHING

1шт.

3

423-46-37120

RETAINER

1шт.

4

01435-81235

BOLT

6шт.

5

01643-31232

WASHER

6шт.

6

421-46-15132

PACKING

1шт.

7

423-46-27120

WASHER, THRUST

2шт.

8

423-46-27130

PLATE

1шт.

9

423-46-27140

PLATE, THRUST

1шт.

10

423-46-27150

COVER

1шт.

11

01010-62090

BOLT

4шт.

12

01643-32060

WASHER

4шт.

13

01010-81265

BOLT

6шт.

14

01643-31232

WASHER

6шт.

15

423-46-27170

RETAINER, FRONT

1шт.

16

01010-81240

BOLT

6шт.

17

01643-31232

WASHER

6шт.

18

419-46-12480

PACKING

1шт.

19

423-46-27190

SEAL, DUST

1шт.

20

423-46-27220

BUSHING, FRONT

1шт.

21

195-09-18130

BOLT

4шт.

22

01580-02722

NUT

4шт.

23

01643-32780

WASHER

8шт.

24

423-46-37130

SPACER

4шт.

Выбрано товаров: 24