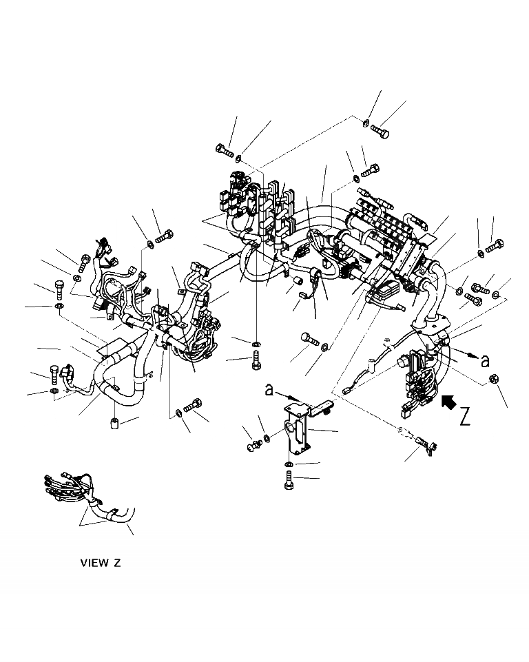
Запчасти Komatsu WA380-7 K-A КАБИНА И ПОЛ ПРОВОДКА (/) OPERATORXD S ОБСТАНОВКА И СИСТЕМА УПРАВЛЕНИЯ

Схема запчастей Komatsu WA380-7 - K-A КАБИНА И ПОЛ ПРОВОДКА (/) OPERATORXD S ОБСТАНОВКА И СИСТЕМА УПРАВЛЕНИЯ
8
7
12
13
7
8
1
6
15
7
2
7
8
8
10
5
18
7
8
18
28
8
29
18
20
10
9
10
10
3
21
16
7
6
11
5
17
14
5
18
8
6
19
7
5
7
22
18
8
9
23
31
32
24
30
18
7
25
8
27
4
26
5
1
5
FIT
1:1
100%

Артикул

Название

Примечание

Количество

1

421-06-55110

WIRING HARNESS

1шт.

N/I

08044-00010

TERMINAL

39шт.

2

283-06-16110

BOX

2шт.

3

418-06-35210

CONNECTOR, 3 A

8шт.

4

423-06-55161

WIRING HARNESS

1шт.

5

04434-53411

CLIP

7шт.

6

04434-53211

CLIP

2шт.

7

01010-81020

BOLT

15шт.

8

01643-31032

WASHER

15шт.

9

04434-52711

CLIP

2шт.

10

04434-52310

CLIP

6шт.

11

423-43-59580

SPACER

1шт.

12

01010-81055

BOLT

1шт.

13

01643-31032

WASHER

1шт.

14

04434-51710

CLIP

1шт.

15

04434-51712

CLIP

1шт.

16

07095-20418

CUSHION

1шт.

17

04434-52712

CLIP

1шт.

18

23S-61-24870

CLIP

7шт.

19

560-43-15220

WASHER

6шт.

20

01010-81035

BOLT

6шт.

21

01643-31032

WASHER

6шт.

22

01010-81050

BOLT

1шт.

23

01643-31032

WASHER

1шт.

24

13S-54-12350

SPACER

1шт.

25

423-06-52660

BRACKET

1шт.

26

01010-81020

BOLT

2шт.

27

01643-31032

WASHER

2шт.

28

01010-81025

BOLT

3шт.

29

01643-31032

WASHER

3шт.

30

01023-60420

SCREW

4шт.

31

01640-20408

WASHER, FLAT

4шт.

32

01580-60403

NUT

4шт.

Выбрано товаров: 33