Качественные детали и логистика
Оригинальные и аналоговые запчасти с доставкой по России, Казахстану и Беларуси
©2022 PartSell ООО "Система" ИНН 2463123282 ОГРН 1212400004838
Центральный офис: г. Красноярск, Академика Киренского, д.87, пом.4
Телефон: 8 (800) 777-65-74 Email: zakaz@partsell.ru
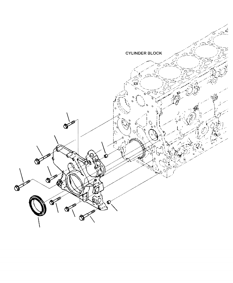
A9-AA ПЕРЕДН. ПРИВОД COVER
№
Артикул
Название
Примечание
Количество
1
6755-21-6210
COVER, FRONT
1шт.
2
6754-21-6221
PIN, DOWEL
2шт.
3
6735-61-2120
BOLT
7шт.
4
6732-21-6630
6шт.
5
6754-21-6230
SEAL
Выбрано товаров: 0