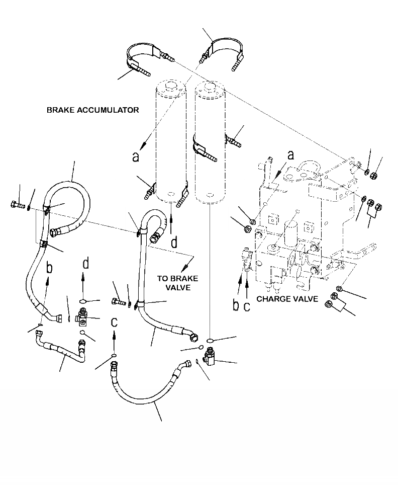
Запчасти Komatsu WA380-7 K-A УПРАВЛ-Е ТОРМОЗОМ АККУМУЛЯТОР - ЗАГРУЗОЧН. КЛАПАН ЛИНИИ OPERATORXD S ОБСТАНОВКА И СИСТЕМА УПРАВЛЕНИЯ

Схема запчастей Komatsu WA380-7 - K-A УПРАВЛ-Е ТОРМОЗОМ АККУМУЛЯТОР - ЗАГРУЗОЧН. КЛАПАН ЛИНИИ OPERATORXD S ОБСТАНОВКА И СИСТЕМА УПРАВЛЕНИЯ
1
2
3
1
2
3
1
2
3
1
2
3
4
5
4
5
6
14
15
16
14
15
16
14
9
14
11
13
12
13
10
11
7
8
FIT
1:1
100%

Артикул

Название

Примечание

Количество

1

421-43-22360

U-BOLT

4шт.

2

421-40-12440

NUT

12шт.

3

01643-31232

WASHER

8шт.

4

423-43-51280

TEE

2шт.

5

07002-12034

O-RING

2шт.

6

423-43-51230

HOSE

1шт.

7

02896-11012

O-RING

1шт.

8

423-43-51240

HOSE

1шт.

9

02896-11012

O-RING

1шт.

10

423-43-51330

HOSE

1шт.

11

02896-11009

O-RING

2шт.

12

423-43-51340

HOSE

1шт.

13

02896-11009

O-RING

2шт.

14

04434-51910

CLIP

4шт.

15

01010-81025

BOLT

3шт.

16

01643-31032

WASHER

3шт.

Выбрано товаров: 16