Запчасти Komatsu WA380-7 K-7A УПРАВЛ-Е ТОРМОЗОМ КЛАПАН АККУМУЛЯТОРА КРЕПЛЕНИЕ (/) OPERATORXD S ОБСТАНОВКА И СИСТЕМА УПРАВЛЕНИЯ

Схема запчастей Komatsu WA380-7 - K-7A УПРАВЛ-Е ТОРМОЗОМ КЛАПАН АККУМУЛЯТОРА КРЕПЛЕНИЕ (/) OPERATORXD S ОБСТАНОВКА И СИСТЕМА УПРАВЛЕНИЯ
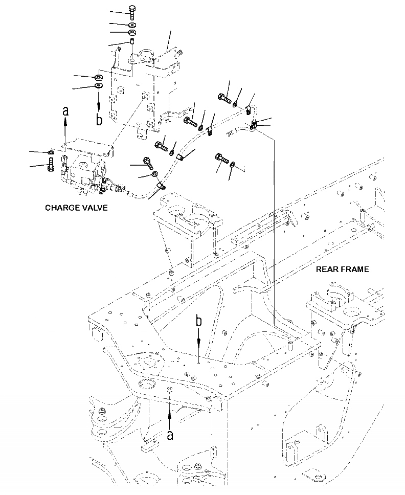
1
2
1
3
4
5
6
7
8
13
14
11
12
8
11
12
8
17
8
9
10
11
12
15
16
FIT
1:1
100%

Артикул

Название

Примечание

Количество

1

419-43-17920

WASHER

4шт.

2

419-43-17930

CUSHION

2шт.

3

415-64-13130

CUSHION

2шт.

4

417-54-13470

SPACER

2шт.

5

01010-81250

BOLT

2шт.

6

01010-81225

BOLT

2шт.

7

01643-31232

WASHER

2шт.

8

04434-51310

CLIP

4шт.

9

04434-51910

CLIP

1шт.

10

07095-20213

CUSHION

1шт.

11

01010-D1025

BOLT

3шт.

12

01643-71032

WASHER

3шт.

13

01010-81025

BOLT

1шт.

14

01643-31032

WASHER

1шт.

15

01010-81020

BOLT

1шт.

16

01643-31032

WASHER

1шт.

17

BRACKET SEE FIG. K4460-01A0

-1шт.

Выбрано товаров: 17