Запчасти Komatsu WA380-7 A9-AA ДВИГАТЕЛЬ МАСЛ. FILL PORT ДВИГАТЕЛЬ

Схема запчастей Komatsu WA380-7 - A9-AA ДВИГАТЕЛЬ МАСЛ. FILL PORT ДВИГАТЕЛЬ
12
13
10
11
8
16
9
14
4
15
1
5
7
6
7
2
3
FIT
1:1
100%

Артикул

Название

Примечание

Количество

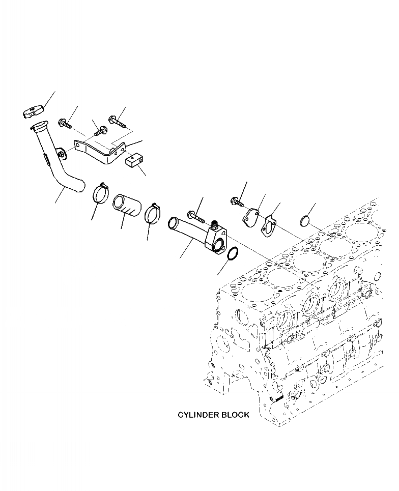
1

6742-01-1420

PLUG

1шт.

2

6755-51-9860

CONNECTION, OIL DRAIN

1шт.

3

6736-21-3360

RING, SEAL

1шт.

4

6742-01-3780

BOLT

2шт.

5

6754-21-7440

FILLER

1шт.

6

6127-61-6421

HOSE

1шт.

7

07281-00549

CLAMP

2шт.

8

6754-21-7510

BRACE

1шт.

9

6754-71-5140

PLATE

1шт.

10

6216-84-8710

BOLT

1шт.

11

6735-71-3220

BOLT

1шт.

12

6136-21-7120

CAP ASSEMBLY

1шт.

13

6732-21-6630

SCREW

1шт.

14

6736-71-5811

PLATE

1шт.

15

6735-61-6411

GASKET

1шт.

16

6732-71-3220

BOLT

2шт.

Выбрано товаров: 16