Качественные детали и логистика
Оригинальные и аналоговые запчасти с доставкой по России, Казахстану и Беларуси
©2022 PartSell ООО "Система" ИНН 2463123282 ОГРН 1212400004838
Центральный офис: г. Красноярск, Академика Киренского, д.87, пом.4
Телефон: 8 (800) 777-65-74 Email: zakaz@partsell.ru
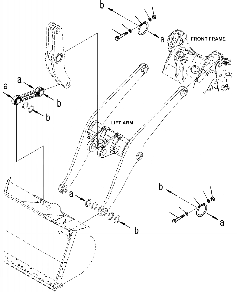
T-A СТРЕЛА И BELL CRANK SERVICE CORD RINGS ONLY
№
Артикул
Название
Примечание
Количество
1
01596-00606
NUT
8шт.
2
01641-20608
WASHER
16шт.
3
236-46-13620
BOLT
4
421-70-11410
O-RING
Выбрано товаров: 0