Качественные детали и логистика
Оригинальные и аналоговые запчасти с доставкой по России, Казахстану и Беларуси
©2022 PartSell ООО "Система" ИНН 2463123282 ОГРН 1212400004838
Центральный офис: г. Красноярск, Академика Киренского, д.87, пом.4
Телефон: 8 (800) 777-65-74 Email: zakaz@partsell.ru
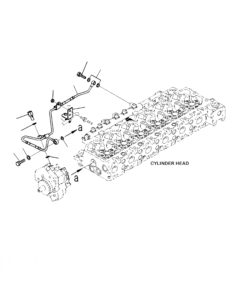
A-AA7 ТОПЛИВН. ДРЕНАЖН. ТРУБЫ
№
Артикул
Название
Примечание
Количество
1
6755-71-5180
TUBE, DRAIN
1шт.
2
6745-71-1130
WASHER
5шт.
3
6731-74-5910
4
6754-71-5430
VALVE, CHECK
5
6732-71-3210
NUT
6
6732-71-6510
BOLT
7
6755-71-5120
SCREW
8
6755-71-5190
BRACE
Выбрано товаров: 0