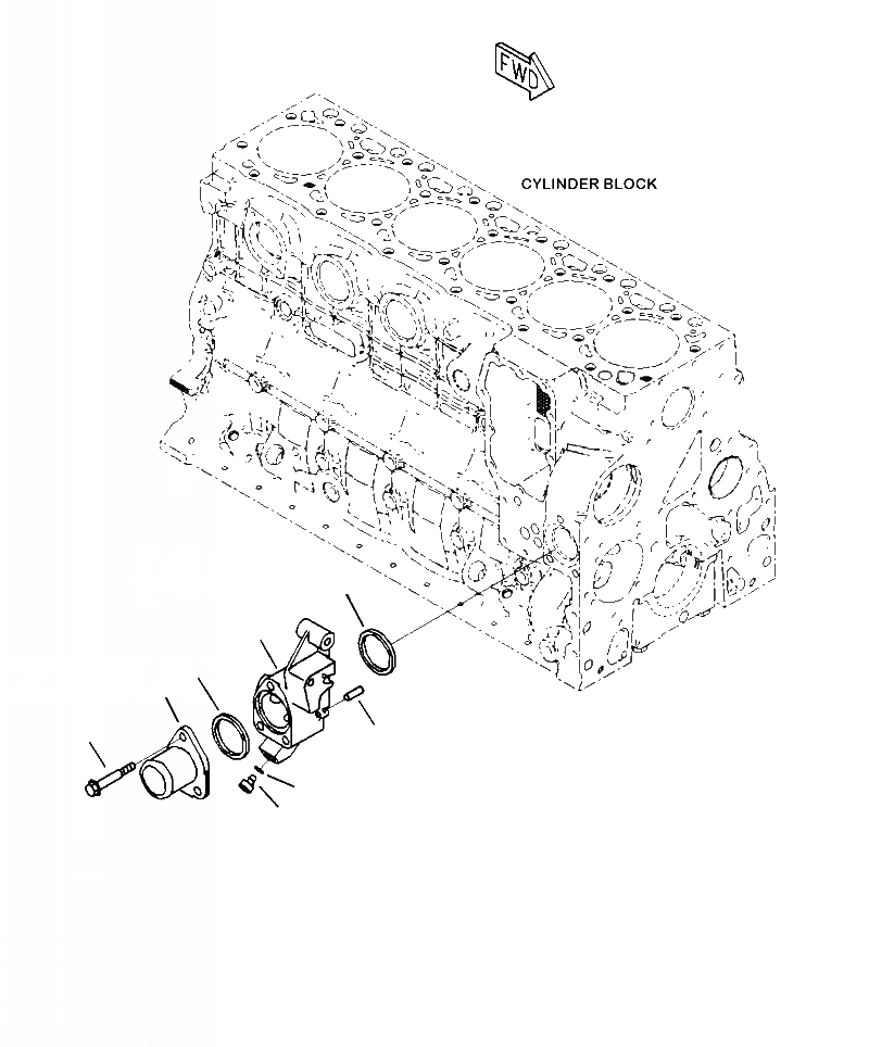
Запчасти Komatsu WA380-7 A-AA ВОДН. ВХОДН. СОЕДИН-Е ДВИГАТЕЛЬ

Схема запчастей Komatsu WA380-7 - A-AA ВОДН. ВХОДН. СОЕДИН-Е ДВИГАТЕЛЬ
1
2
3
3
4
5
6
7
FIT
1:1
100%

Артикул

Название

Примечание

Количество

|$0

6755-61-6210

CONNECTION

1шт.

1

6755-61-6220

CONNECTION

1шт.

2

6737-32-2110

PIN

2шт.

3

6732-61-6131

SEAL RING

2шт.

4

6754-61-6130

CONNECTOR

1шт.

5

6731-21-6220

BOLT

3шт.

|$6

6735-21-1910

PLUG ASSEMBLY

1шт.

6

6735-21-1920

PLUG

1шт.

7

6735-21-1930

O-RING

1шт.

Выбрано товаров: 9