Запчасти Komatsu WA380-7 A-AA УПРАВЛ-Е ДВИГАТЕЛЕМ MODULE ПРОВОДКА ДВИГАТЕЛЬ

Схема запчастей Komatsu WA380-7 - A-AA УПРАВЛ-Е ДВИГАТЕЛЕМ MODULE ПРОВОДКА ДВИГАТЕЛЬ
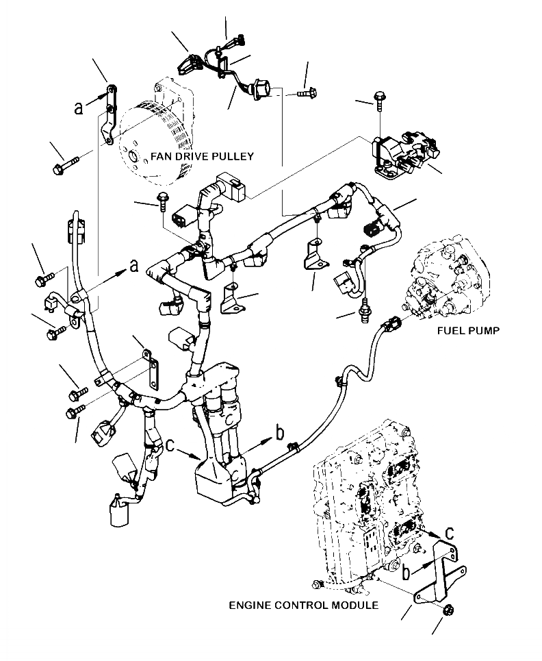
1
2
3
3
4
5
6
6
7
8
8
9
10
11
12
13
14
15
16
17
18
FIT
1:1
100%

Артикул

Название

Примечание

Количество

1

6754-81-9450

WIRING HARNESS

3шт.

2

6754-81-9220

CLIP

3шт.

3

6754-81-9230

CLIP

6шт.

4

6755-81-9310

WIRING HARNESS

1шт.

5

6732-21-4180

BOLT

3шт.

6

6754-81-9340

BRACKET

2шт.

7

6754-81-9280

BRACKET

1шт.

8

6732-21-3120

BOLT

4шт.

9

6733-71-5680

BOLT

1шт.

10

6755-81-9210

BRACE

1шт.

11

6754-81-9390

BOLT

1шт.

12

6216-74-6180

BOLT

1шт.

13

6216-54-7320

BOLT

1шт.

14

6731-72-5110

BOLT

1шт.

15

6755-81-9320

CONNECTOR

1шт.

16

6732-21-3120

BOLT

4шт.

17

6755-81-9220

BRACE

1шт.

18

01584-00605

NUT

2шт.

Выбрано товаров: 0