Запчасти Komatsu WA380-7 C-A РАДИАТОР КОНДЕНСАТОР И КРЕПЛЕНИЕ СИСТЕМА ОХЛАЖДЕНИЯ

Схема запчастей Komatsu WA380-7 - C-A РАДИАТОР КОНДЕНСАТОР И КРЕПЛЕНИЕ СИСТЕМА ОХЛАЖДЕНИЯ
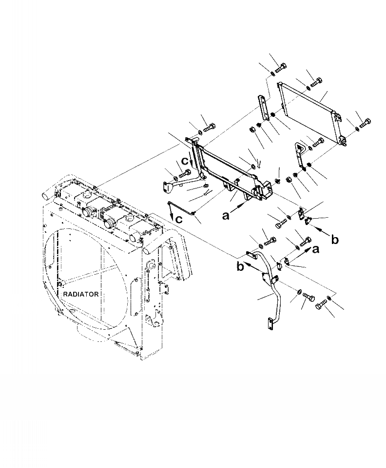
1
2
3
4
2
3
4
5
6
5
6
7
8
9
10
11
12
13
14
15
16
15
16
17
18
19
20
21
22
23
23
24
25
26
27
28
29
30
31
32
33
34
33
34
FIT
1:1
100%

Артикул

Название

Примечание

Количество

1

56E-07-21133

CONDENSER ASSEMBLY

1шт.

2

425-03-37280

CUSHION

4шт.

3

425-03-37290

CUSHION

4шт.

4

01580-10806

NUT

4шт.

5

01010-80835

BOLT

4шт.

6

01643-30823

WASHER

4шт.

7

423-S62-5430

BRACKET

1шт.

8

01010-D1025

BOLT

2шт.

9

01643-71032

WASHER

2шт.

10

423-S62-5450

BRACKET

1шт.

11

01010-D1025

BOLT

2шт.

12

01643-71032

WASHER

2шт.

13

423-S62-5410

BRACKET

1шт.

14

416-09-12230

HINGE, WELDED

1шт.

15

01010-81025

BOLT

4шт.

16

01643-31032

WASHER

4шт.

17

423-S62-5420

BRACKET

1шт.

18

01010-81025

BOLT

4шт.

19

01643-31032

WASHER

4шт.

20

423-S62-5640

ROD

1шт.

21

01643-30823

WASHER

1шт.

22

22W-43-17330

WASHER

1шт.

23

04050-12015

PIN, COTTER

2шт.

24

419-54-H1780

LOCK

1шт.

25

01010-80820

BOLT

2шт.

26

01643-30823

WASHER

2шт.

27

419-54-H1900

GRIP

1шт.

28

424-03-41280

STRIKER

1шт.

29

01010-81025

BOLT

2шт.

30

01643-31032

WASHER

2шт.

31

566-54-23460

DOVETAIL

1шт.

32

566-54-23470

DOVETAIL

1шт.

33

01010-80616

BOLT

4шт.

34

01643-30623

WASHER

4шт.

Выбрано товаров: 0