Запчасти Komatsu WA380-7 C-A РАДИАТОР КОНДЕНСАТОР ТРУБЫ СИСТЕМА ОХЛАЖДЕНИЯ

Схема запчастей Komatsu WA380-7 - C-A РАДИАТОР КОНДЕНСАТОР ТРУБЫ СИСТЕМА ОХЛАЖДЕНИЯ
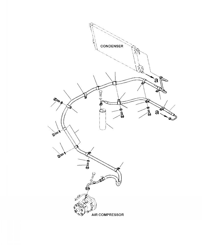
3
5
9
9
1
4
9
15
9
2
15
10
6
8
17
11
9
13
7
16
12
9
18
11
14
10
11
14
10
FIT
1:1
100%

Артикул

Название

Примечание

Количество

1

423-S62-5650

HOSE

1шт.

2

423-S62-5660

HOSE

1шт.

3

04434-52711

CLIP

1шт.

4

04434-52110

CLIP

1шт.

5

07095-20419

CUSHION

1шт.

6

07095-20314

CUSHION

1шт.

7

01010-D1025

BOLT

1шт.

8

01643-71032

WASHER

1шт.

9

04434-52310

CLIP

7шт.

10

01010-81020

BOLT

6шт.

11

01643-31032

WASHER

6шт.

12

01010-81025

BOLT

1шт.

13

01643-31032

WASHER

1шт.

14

04434-52310

CLIP

2шт.

15

04434-51910

CLIP

2шт.

16

01010-D1025

BOLT

2шт.

17

01643-71032

WASHER

2шт.

18

RECEIVER K0711-02A0

-1шт.

Выбрано товаров: 18