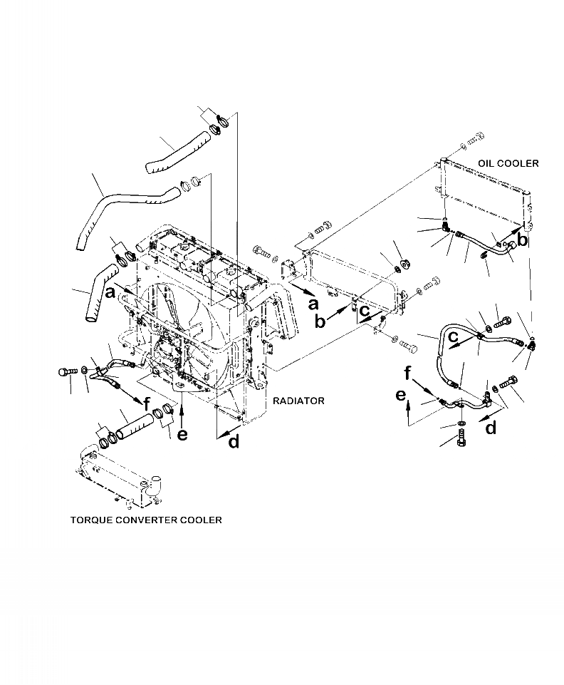
Запчасти Komatsu WA380-7 C-A СИСТЕМА ТРУБ РАДИАТОРА (/) СИСТЕМА ОХЛАЖДЕНИЯ

Схема запчастей Komatsu WA380-7 - C-A СИСТЕМА ТРУБ РАДИАТОРА (/) СИСТЕМА ОХЛАЖДЕНИЯ
1
2
3
4
5
6
7
8
9
10
11
8
9
12
13
14
15
16
17
18
18
19
20
21
22
23
24
25
26
27
28
29
30
31
32
33
34
34
FIT
1:1
100%

Артикул

Название

Примечание

Количество

1

423-62-51830

HOSE

1шт.

2

04434-53212

CLIP

1шт.

3

07095-20523

CUSHION

1шт.

4

01010-81025

BOLT

1шт.

5

01643-31032

WASHER

1шт.

6

02896-11015

O-RING

1шт.

7

423-62-51850

TUBE

1шт.

8

01010-81020

BOLT

4шт.

9

01643-31032

WASHER

4шт.

10

02896-11015

O-RING

1шт.

11

423-62-51860

HOSE

1шт.

12

04434-53212

CLIP

1шт.

13

07095-20523

CUSHION

1шт.

14

01010-81025

BOLT

1шт.

15

01643-31032

WASHER

1шт.

16

423-03-51310

HOSE

1шт.

17

423-03-51330

HOSE

1шт.

18

07289-00070

CLAMP

4шт.

19

02782-10522

ELBOW

1шт.

20

07002-12434

O-RING

1шт.

21

02896-11015

O-RING

1шт.

22

02782-10522

ELBOW

1шт.

23

07002-12434

O-RING

1шт.

24

02896-11015

O-RING

1шт.

25

423-03-52750

TUBE

1шт.

26

07283-32236

CLIP, PIPE

1шт.

27

07283-52232

SEAT

1шт.

28

01597-01009

NUT

2шт.

29

01643-31032

WASHER

2шт.

30

02896-11015

O-RING

1шт.

31

07002-12434

O-RING

1шт.

32

423-03-51210

HOSE

1шт.

33

423-03-51220

HOSE

1шт.

34

07299-00070

CLAMP

4шт.

Выбрано товаров: 0