Качественные детали и логистика
Оригинальные и аналоговые запчасти с доставкой по России, Казахстану и Беларуси
©2022 PartSell ООО "Система" ИНН 2463123282 ОГРН 1212400004838
Центральный офис: г. Красноярск, Академика Киренского, д.87, пом.4
Телефон: 8 (800) 777-65-74 Email: zakaz@partsell.ru
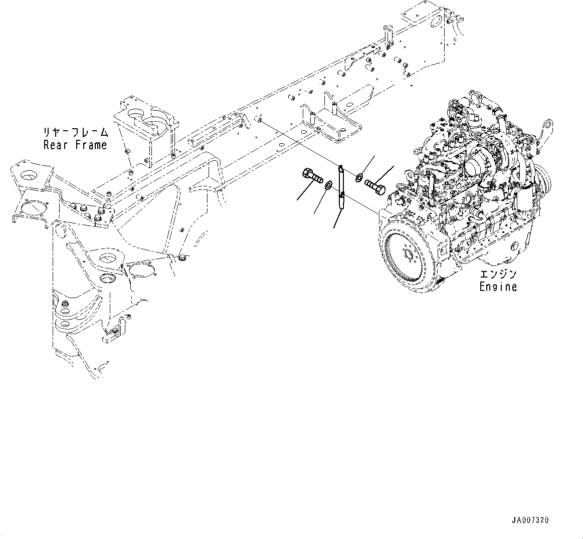
ЗАДН. ПРОВОДКА, GROUND КАБЕЛЬ
№
Артикул
Название
Примечание
Количество
1
423-06-52630
Cable
SN: H62051-UP
1шт.
2
01010-81225
Bolt
3
01643-31232
Washer
4
01010-81230
5
Выбрано товаров: 0