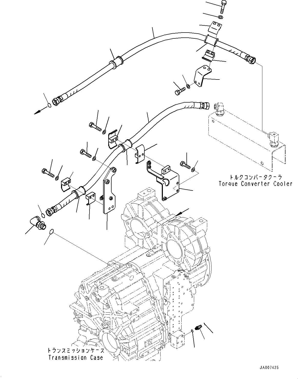
Запчасти Komatsu WA380-7 ГИДРОТРАНСФОРМАТОР И ТРАНСМИССИЯ, СИСТЕМА ТРУБ ОХЛАЖДЕНИЯ ГИДРОТРАНСФОРМАТОР И ТРАНСМИССИЯ

Схема запчастей Komatsu WA380-7 - ГИДРОТРАНСФОРМАТОР И ТРАНСМИССИЯ, СИСТЕМА ТРУБ ОХЛАЖДЕНИЯ ГИДРОТРАНСФОРМАТОР И ТРАНСМИССИЯ
1
2
3
4
5
6
7
8
9
10
11
12
13
14
15
16
17
18
19
20
21
23
24
25
26
27
12
12
17
16
15
22
12
5
a
a
FIT
1:1
100%

Артикул

Название

Примечание

Количество

1

423-62-51610

Hose

SN: H62051-UP

1шт.

2

423-62-51620

Hose

SN: H62051-UP

1шт.

3

421-09-31210

Elbow

SN: H62051-UP

1шт.

4

07002-23334

O-Ring

SN: H62051-UP

1шт.

5

421-09-31140

O-Ring

SN: H62051-UP

2шт.

6

423-62-51630

Bracket

SN: H62051-UP

1шт.

7

01010-81245

Bolt

SN: H62051-UP

2шт.

8

01643-31232

Washer

SN: H62051-UP

2шт.

9

423-62-51640

Bracket

SN: H62051-UP

1шт.

10

01010-81225

Bolt

SN: H62051-UP

2шт.

11

01643-31232

Washer

SN: H62051-UP

2шт.

12

22P-62-13530

Clamp

SN: H62051-UP

4шт.

13

07095-01035

Cushion

SN: H62051-UP

1шт.

14

07095-01033

Cushion

SN: H62051-UP

1шт.

15

01010-81280

Bolt

SN: H62051-UP

4шт.

16

01643-31232

Washer

SN: H62051-UP

4шт.

17

22P-62-13560

Clamp

SN: H62051-UP

2шт.

18

07095-01035

Cushion

SN: H62051-UP

1шт.

19

07095-01033

Cushion

SN: H62051-UP

1шт.

20

01010-81280

Bolt

SN: H62051-UP

2шт.

21

01643-31232

Washer

SN: H62051-UP

2шт.

22

423-62-51650

Bracket

SN: H62051-UP

1шт.

23

01010-81020

Bolt

SN: H62051-UP

2шт.

24

01643-31032

Washer

SN: H62051-UP

2шт.

25

07002-11423

O-Ring

SN: H62051-UP

1шт.

26

02783-10210

Elbow

SN: H62051-UP

1шт.

27

02896-11008

O-Ring

SN: H62051-UP

1шт.

Выбрано товаров: 27