Запчасти Komatsu WA380-7 ГИДР. НАСОС., НАСОС ВЕНТИЛЯТОРА (/) ГИДР. НАСОС.

Схема запчастей Komatsu WA380-7 - ГИДР. НАСОС., НАСОС ВЕНТИЛЯТОРА (/) ГИДР. НАСОС.
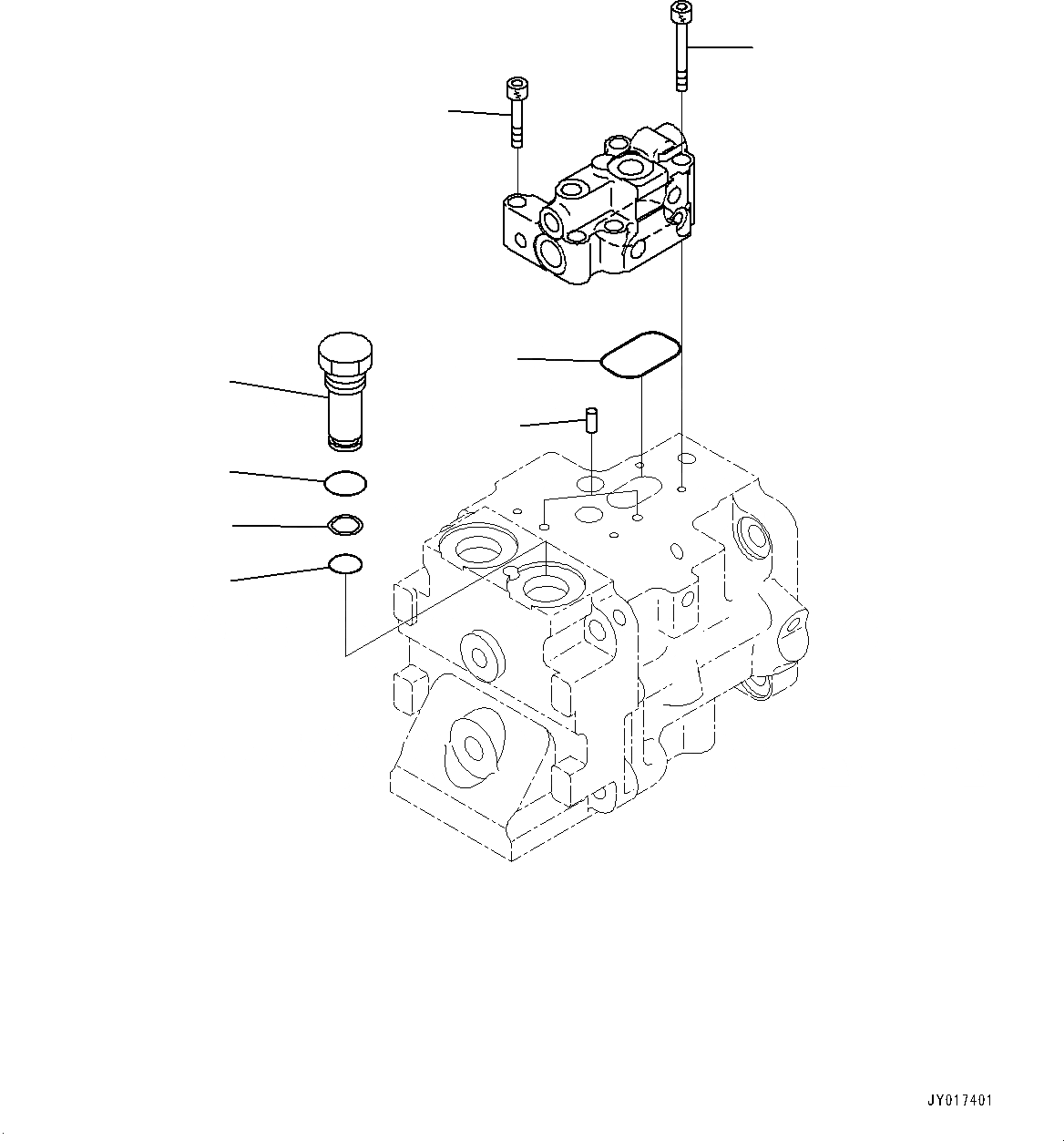
1
2
3
4
7
6
8
5
FIT
1:1
100%

Артикул

Название

Примечание

Количество

|$0

708-1S-00490

Pump Assembly

SN: H62051-UP

1шт.

1

07000-B3040

O-Ring

SN: H62051-UP

1шт.

2

01252-60650

Bolt

SN: H62051-UP

1шт.

3

01252-60635

Bolt

SN: H62051-UP

3шт.

4

04020-00616

Pin, Dowel

SN: H62051-UP

2шт.

5

708-1S-19930

Plug

SN: H62051-UP

1шт.

6

723-60-22230

Ring, Back-Up

SN: H62051-UP

1шт.

7

07000-B2016

O-Ring

SN: H62051-UP

1шт.

8

07002-62434

O-Ring

SN: H62051-UP

1шт.

Выбрано товаров: 9