Запчасти Komatsu WA380-7 ГИДРОЛИНИЯ, С 3-Х СЕКЦ. КОНТР. КЛАПАНОМ, РУЛЕВ. УПРАВЛЕНИЕ ДРЕНАЖН. ТРУБЫ ГИДРОЛИНИЯ, С 3-Х СЕКЦ. КОНТР. КЛАПАНОМ

Схема запчастей Komatsu WA380-7 - ГИДРОЛИНИЯ, С 3-Х СЕКЦ. КОНТР. КЛАПАНОМ, РУЛЕВ. УПРАВЛЕНИЕ ДРЕНАЖН. ТРУБЫ ГИДРОЛИНИЯ, С 3-Х СЕКЦ. КОНТР. КЛАПАНОМ
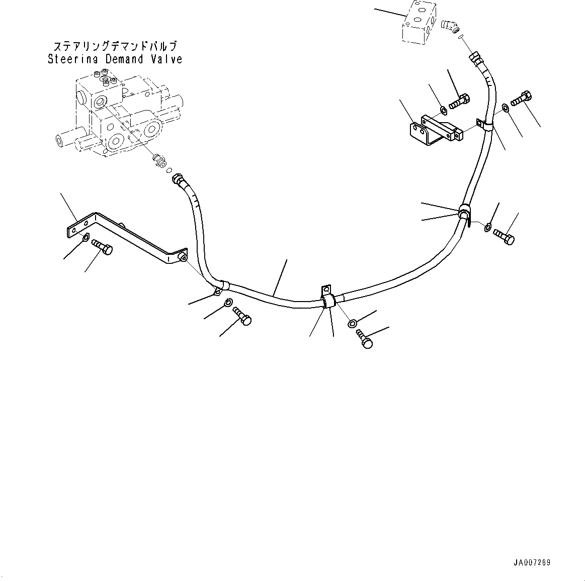
1
2
3
4
5
6
7
8
9
10
11
12
13
14
15
16
17
2
3
5
4
18
FIT
1:1
100%

Артикул

Название

Примечание

Количество

1

423-62-52180

Hose

SN: H62051-UP

1шт.

2

04434-52712

Clip

SN: H62051-UP

2шт.

3

07095-20420

Cushion

SN: H62051-UP

2шт.

4

01010-81020

Bolt

SN: H62051-UP

2шт.

5

01643-31032

Washer

SN: H62051-UP

2шт.

6

423-62-52670

Bracket

SN: H62051-UP

1шт.

7

01010-81025

Bolt

SN: H62051-UP

2шт.

8

01643-31032

Washer

SN: H62051-UP

2шт.

9

04434-51810

Clip

SN: H62051-UP

1шт.

10

01010-81020

Bolt

SN: H62051-UP

1шт.

11

01643-31032

Washer

SN: H62051-UP

1шт.

12

423-62-43181

Bracket

SN: H62051-UP

1шт.

13

01010-D1025

Bolt

SN: H62051-UP

2шт.

14

01643-71032

Washer

SN: H62051-UP

2шт.

15

04434-51810

Clip

SN: H62051-UP

1шт.

16

01010-81020

Bolt

SN: H62051-UP

1шт.

17

01643-31032

Washer

SN: H62051-UP

1шт.

18

423-43-51140

Block

-1шт.

Выбрано товаров: 18