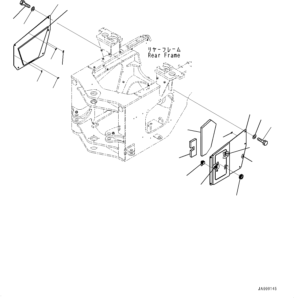
Запчасти Komatsu WA380-7 СОЧЛ. СОЕД. БЛОКИР. BAR И РАМА COVER, С 2-Х СЕКЦИОНН. УПРАВЛЯЮЩ. КЛАПАН, БОКОВ. КРЫШКА СОЧЛ. СОЕД. БЛОКИР. BAR И РАМА COVER, С 2-Х СЕКЦИОНН. УПРАВЛЯЮЩ. КЛАПАН

Схема запчастей Komatsu WA380-7 - СОЧЛ. СОЕД. БЛОКИР. BAR И РАМА COVER, С 2-Х СЕКЦИОНН. УПРАВЛЯЮЩ. КЛАПАН, БОКОВ. КРЫШКА СОЧЛ. СОЕД. БЛОКИР. BAR И РАМА COVER, С 2-Х СЕКЦИОНН. УПРАВЛЯЮЩ. КЛАПАН
15
14
5
9
8
7
3
1
10
6
2
6
4
11
13
13
13
13
12
FIT
1:1
100%

Артикул

Название

Примечание

Количество

1

423-46-44841

Cover, LHS

SN: H62051-UP

1шт.

2

22M-54-19170

Stopper

SN: H62051-UP

1шт.

3

421-06-24180

Hinge, Welded

SN: H62051-UP

2шт.

4

423-46-44851

Sheet

SN: H62051-UP

1шт.

5

423-46-44860

Sheet

SN: H62051-UP

1шт.

6

421-09-21420

Sheet

SN: H62051-UP

2шт.

7

01010-81225

Bolt

SN: H62051-UP

5шт.

8

01643-31232

Washer

SN: H62051-UP

5шт.

9

08037-02512

Grommet

SN: H62051-UP

1шт.

10

205-60-71220

Lock Assembly

SN: H62051-UP

1шт.

11

423-46-51220

Cover, RHS

SN: H62051-UP

1шт.

12

423-46-54840

Sheet

SN: H62051-UP

1шт.

13

421-09-21420

Sheet

SN: H62051-UP

4шт.

14

01010-D1225

Bolt

SN: H62051-UP

5шт.

15

01643-71232

Washer

SN: H62051-UP

5шт.

Выбрано товаров: 15