Запчасти Komatsu WA380-7 КАБИНА ROPS И ОСНОВН. КОНСТРУКЦИЯ ГРУППА, КОНДИЦ. ВОЗДУХА ВОЗДУХОВОДЫ КАБИНА ROPS И ОСНОВН. КОНСТРУКЦИЯ ГРУППА

Схема запчастей Komatsu WA380-7 - КАБИНА ROPS И ОСНОВН. КОНСТРУКЦИЯ ГРУППА, КОНДИЦ. ВОЗДУХА ВОЗДУХОВОДЫ КАБИНА ROPS И ОСНОВН. КОНСТРУКЦИЯ ГРУППА
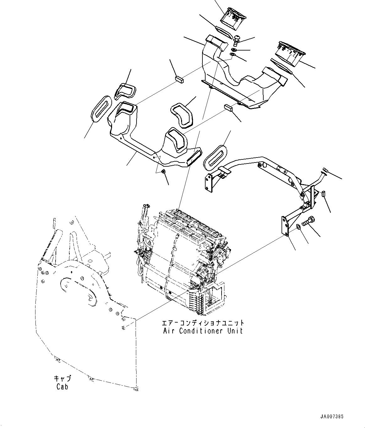
1
2
3
4
5
6
7
8
9
10
11
12
13
14
15
16
5
8
7
15
16
FIT
1:1
100%

Артикул

Название

Примечание

Количество

1

423-926-5770

Bracket

SN: H62051-UP

1шт.

2

01010-81025

Bolt

SN: H62051-UP

4шт.

3

01643-31032

Washer

SN: H62051-UP

4шт.

4

423-07-51680

Duct

SN: H62051-UP

1шт.

5

423-07-51650

Sheet

SN: H62051-UP

2шт.

6

423-07-51690

Duct

SN: H62051-UP

1шт.

7

423-07-51640

Sheet

SN: H62051-UP

2шт.

8

423-07-51660

Sheet

SN: H62051-UP

2шт.

9

423-56-21910

Button

SN: H62051-UP

2шт.

10

01023-10620

Screw

SN: H62051-UP

4шт.

11

56D-54-35310

Collar

SN: H62051-UP

4шт.

12

56D-54-35320

Washer

SN: H62051-UP

4шт.

13

423-07-52110

Grille

SN: H62051-UP

1шт.

14

423-07-52120

Grille

SN: H62051-UP

1шт.

15

423-926-5121

Seal

SN: H62051-UP

2шт.

16

421-926-5310

Sheet

SN: H62051-UP

2шт.

Выбрано товаров: 16