Запчасти Komatsu WA380-7 УПРАВЛЕНИЕ ПОГРУЗКОЙ БЛОК, С EPC MULTI-FUNCTION MONO РЫЧАГ, КОНСОЛЬ SLIDER УПРАВЛЕНИЕ ПОГРУЗКОЙ БЛОК, С EPC MULTI-FUNCTION MONO РЫЧАГ

Схема запчастей Komatsu WA380-7 - УПРАВЛЕНИЕ ПОГРУЗКОЙ БЛОК, С EPC MULTI-FUNCTION MONO РЫЧАГ, КОНСОЛЬ SLIDER УПРАВЛЕНИЕ ПОГРУЗКОЙ БЛОК, С EPC MULTI-FUNCTION MONO РЫЧАГ
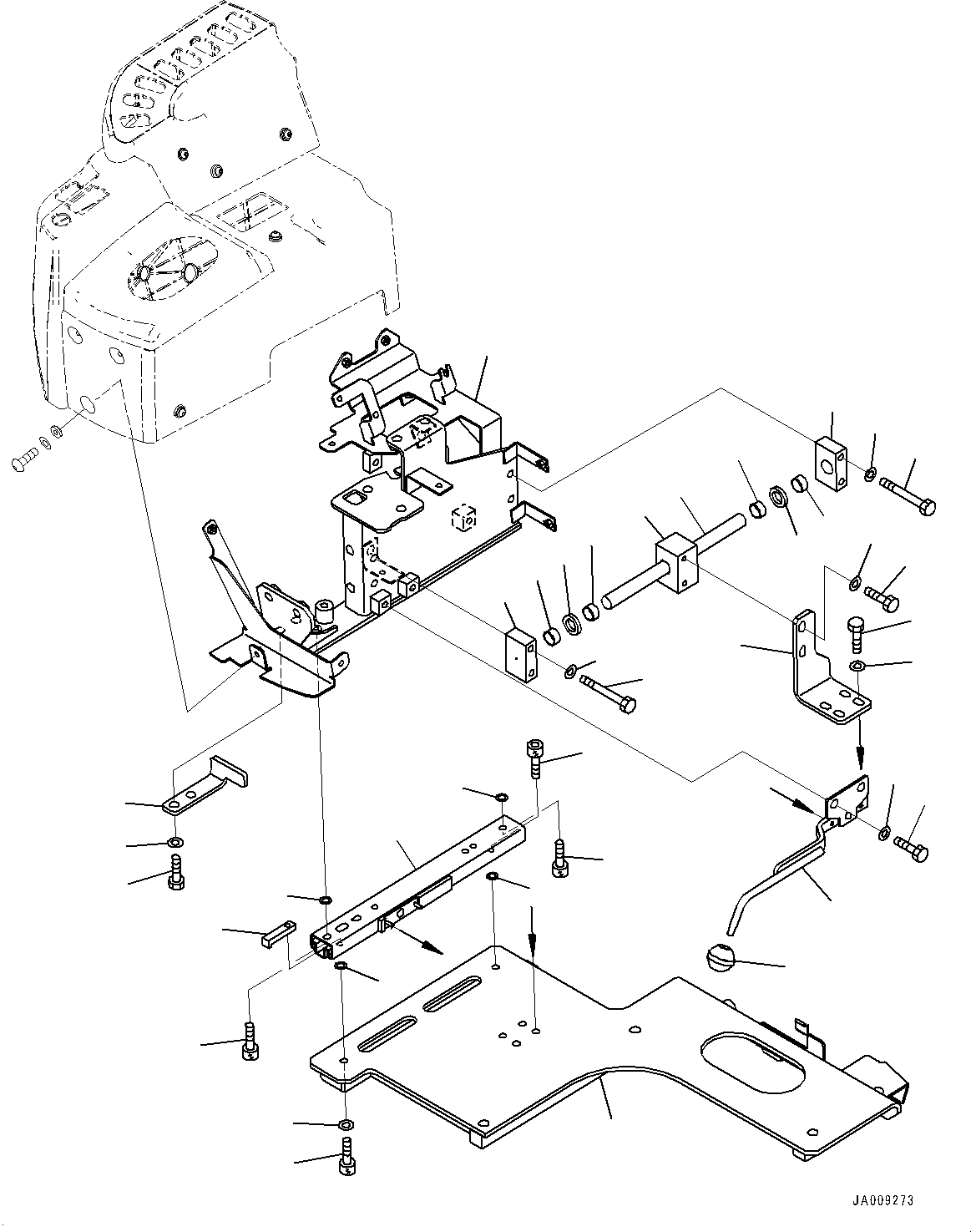
24
26
25
9
14
8
7
6
27
10
11
12
13
1
20
21
3
2
22
23
17
18
19
18
16
15
18
19
18
17
23
22
4
5
9
6
14
9
9
a
a
b
b
FIT
1:1
100%

Артикул

Название

Примечание

Количество

1

423-43-59640

Plate

SN: H62051-UP

1шт.

2

01016-50825

Bolt

SN: H62051-UP

4шт.

3

01643-30823

Washer

SN: H62051-UP

4шт.

4

423-43-59521

Bracket

SN: H62051-UP

1шт.

5

22M-43-21230

Adjuster

SN: H62051-UP

1шт.

6

01252-70820

Bolt

SN: H62051-UP

2шт.

7

01643-50823

Washer

SN: H62051-UP

1шт.

8

423-43-59610

Block

SN: H62051-UP

1шт.

9

238-15-15890

Shim, T=0.5mm

SN: H62051-UP

4шт.

10

423-43-59761

Lever

SN: H62051-UP

1шт.

11

09304-00835

Knob, Black

SN: H62051-UP

1шт.

12

01010-81020

Bolt

SN: H62051-UP

2шт.

13

01643-31032

Washer

SN: H62051-UP

2шт.

14

01252-70820

Bolt

SN: H62051-UP

2шт.

15

423-43-59830

Rod

SN: H62051-UP

1шт.

16

423-43-59560

Guide

SN: H62051-UP

1шт.

17

423-43-59571

Guide

SN: H62051-UP

2шт.

18

423-43-59680

Bushing

SN: H62051-UP

4шт.

19

426-40-32360

Packing

SN: H62051-UP

2шт.

20

01016-50825

Bolt

SN: H62051-UP

2шт.

21

01643-30823

Washer

SN: H62051-UP

2шт.

22

01010-80855

Bolt

SN: H62051-UP

4шт.

23

01643-30823

Washer

SN: H62051-UP

4шт.

24

423-43-59671

Plate

SN: H62051-UP

1шт.

25

01010-81025

Bolt

SN: H62051-UP

2шт.

26

01643-31032

Washer

SN: H62051-UP

2шт.

27

423-43-59510

Bracket

SN: H62051-UP

1шт.

Выбрано товаров: 27