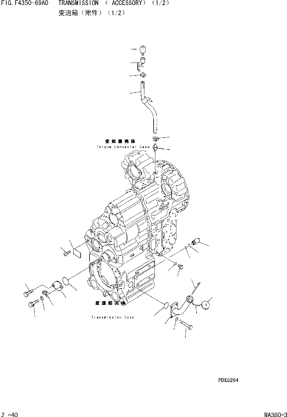
Запчасти Komatsu WA380-DZ-3 ТРАНСМИССИЯ (АКСЕССУАРЫ)(/) [ТРАНСМИССИЯ]

Схема запчастей Komatsu WA380-DZ-3 - ТРАНСМИССИЯ (АКСЕССУАРЫ)(/) [ТРАНСМИССИЯ]
5
4
7
6
7
3
11
12
15
17
18
16
13
14
23
19
25
24
2
1
20
9
22
21
8
10
FIT
1:1
100%

Артикул

Название

Примечание

Количество

|$1

SERIAL NO. IN ( ) INDICATES TRANSMISSION SERIAL NO.

-1шт.

|$1

-1шт.

|$3

714-12-10011

TRANSMISSION ASS'Y

Field_2: 10460-

1шт.

|$4

714-12-10010

TRANSMISSION ASS'Y

Field_2: 10119-10459

1шт.

|$1

-1шт.

|$6

THESE ASSEMBLIES CONSISTS OF ALL PARTS SHOWN IN FIGS.F4350-51A0 TO F4350-71A0

-1шт.

|$1

-1шт.

1

07040-11409

PLUG

Field_2: 10119-

1шт.

2

07002-01423

O-RING

Field_2: 10119-

1шт.

3

154-04-11540

NIPPLE

Field_2: 10119-

1шт.

4

22T-49-12330

BLOCK

Field_2: 10119-

1шт.

5

07030-00252

BREATHER

Field_2: 10119-

1шт.

6

07261-20911

HOSE

Field_2: 10119-

1шт.

7

07281-00197

CLAMP

Field_2: 10119-

2шт.

8

419-15-18251

RINGЃCSNAP

Field_2: 10119-

1шт.

9

07002-02434

O-RING

Field_2: 10119-

1шт.

10

419-15-18241

PLUG

Field_2: 10119-

1шт.

11

09608-05080

PLATEЃCNAMEЃC(LIMITED SUPPLY)

Field_2: 10119-

1шт.

12

04418-13060

SCREW

Field_2: 10119-

4шт.

13

714-13-11350

COVER

Field_2: 10119-

1шт.

14

07000-02065

O-RING

Field_2: 10119-

1шт.

15

01010-81225

BOLT

Field_2: 10119-

1шт.

16

42A-16-11210

PLATE

Field_2: 10119-

1шт.

17

01010-81235

BOLT

Field_2: 10119-

1шт.

18

01643-31232

WASHER

Field_2: 10119-

1шт.

19

714-12-18511

TUBEЃCFILLER

Field_2: 10119-

1шт.

20

419-15-14424

GAUGEЃCOIL LEVEL

Field_2: 10119-

1шт.

21

6136-21-7120

CAP ASS'Y

Field_2: 10119-

1шт.

|$29

6136-21-7180

GASKET

Field_2: 10119-

1шт.

22

6136-21-7190

CHAIN

Field_2: 10119-

1шт.

23

07000-02065

O-RING

Field_2: 10119-

4шт.

24

01010-81045

BOLT

Field_2: 10119-

4шт.

25

01643-31032

WASHER

Field_2: 10119-

4шт.

Выбрано товаров: 33