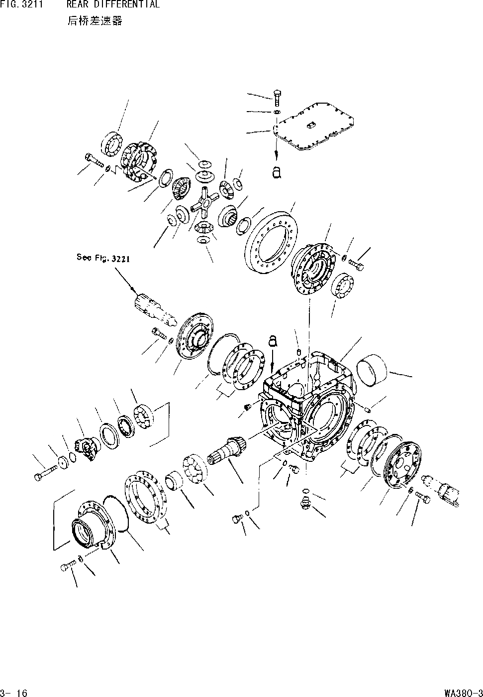
Запчасти Komatsu WA380-DZ-3 ЗАДНИЙ ДИФФЕРЕНЦИАЛ [ВЕДУЩ. ВАЛ ДИФФЕРЕНЦ. И КОЛЕСА]

Схема запчастей Komatsu WA380-DZ-3 - ЗАДНИЙ ДИФФЕРЕНЦИАЛ [ВЕДУЩ. ВАЛ ДИФФЕРЕНЦ. И КОЛЕСА]
37
25
32
31
26
27
28
30
29
44
45
42
31
32
29
30
9
32
31
33
31
32
40
41
36
38
39
2
13
14
16
15
18
17
19
8
6
5
11
12
21
20
10
23
5
6
43
22
39
38
36
41
40
4
3
24
35
34
37
1
7
46
FIT
1:1
100%

Артикул

Название

Примечание

Количество

|$1

423-22-20002

AXLE ASS'Y.REAR

Field_2: 10119-

1шт.

|$1

-1шт.

|$3

THIS ASSEMBLY CONSISTS OF ALL PARTS SHOWN IN FIGS.3201 TO 3221

-1шт.

|$1

-1шт.

1

423-22-23110

HOUSING

Field_2: 10119-

1шт.

2

07043-70211

PLUG

Field_2: 10119-

2шт.

3

07044-13620

PLUG.DRAIN

Field_2: 10119-

2шт.

4

07002-03634

O-RING

Field_2: 10119-

1шт.

5

07040-12012

PLUG.(FOR SHIPPING)

Field_2: 10119-

1шт.

6

07002-12034

O-RING.(FOR SHIPPING)

Field_2: 10119-

3шт.

7

04020-01228

PIN.DOWEL

Field_2: 10119-

3шт.

|$12

423-22-21300

PINION ASS'Y

Field_2: 10119-

4шт.

8

0

PINION

Field_2: 10119-

1шт.

9

0

GEAR.BEVEL

Field_2: 10119-

1шт.

10

423-22-21130

CAGE.BEARING

Field_2: 10119-

1шт.

11

423-22-21820

BEARING

Field_2: 10119-

1шт.

12

423-22-21860

SPACER

Field_2: 10119-

1шт.

13

419-22-11810

BEARING

Field_2: 10119-

1шт.

14

423-22-21750

SEAL.OIL

Field_2: 10119-

1шт.

15

423-22-Z1232

COUPLING

Field_2: 10386-

1шт.

|$21

0

COUPLING

Field_2: 10001-10385

1шт.

16

714-07-14120

DEFLECTOR

Field_2: 10119-

1шт.

17

423-22-21240

WASHER

Field_2: 10119-

1шт.

18

423-09-11110

O-RING

Field_2: 10119-

1шт.

19

01011-62020

BOLT

Field_2: 10119-

1шт.

20

07000-15220

O-RING

Field_2: 10119-

1шт.

21

423-22-21360

SHIM.0.05mm

Field_2: 10119-

3шт.

|$28

423-22-21370

SHIM.0.2mm

Field_2: 10119-

2шт.

|$29

423-22-21380

SHIM.0.3mm

Field_2: 10119-

2шт.

|$30

423-22-21390

SHIM.0.8mm

Field_2: 10119-

2шт.

22

01010-61650

BOLT

Field_2: 10119-

10шт.

23

01643-31645

WASHER

Field_2: 10119-

10шт.

|$33

423-22-21600

CASE ASS'Y

Field_2: 10119-

1шт.

24

0

CASE

Field_2: 10119-

1шт.

25

0

CASE

Field_2: 10119-

1шт.

26

01010-61490

BOLT

Field_2: 10119-

12шт.

27

01643-31445

WASHER

Field_2: 10119-

12шт.

28

175-21-12180

PIN

Field_2: 10119-

4шт.

29

421-22-11461

GEAR.SIDE

Field_2: 10119-

2шт.

30

421-22-11681

WASHER

Field_2: 10119-

2шт.

31

421-22-11450

PINION

Field_2: 10119-

4шт.

32

421-22-11691

WASHER

Field_2: 10119-

4шт.

33

421-22-11440

SHAFT

Field_2: 10119-

1шт.

34

01010-61440

BOLT

Field_2: 10119-

24шт.

35

01643-31445

WASHER

Field_2: 10119-

24шт.

36

423-22-21160

CARRIER

Field_2: 10119-

2шт.

37

423-22-11850

BEARING

Field_2: 10119-

2шт.

38

423-33-21430

RING

Field_2: 10119-

2шт.

39

423-22-21460

SHIM.0.05mm

Field_2: 10119-

6шт.

|$50

423-22-21480

SHIM.0.3mm

Field_2: 10119-

3шт.

|$51

423-22-21490

SHIM.0.8mm

Field_2: 10119-

2шт.

40

01010-61445

BOLT

Field_2: 10119-

16шт.

41

01643-31445

WASHER

Field_2: 10119-

16шт.

42

423-22-23121

COVER

Field_2: 10119-

1шт.

43

04020-01228

PIN.DOWEL

Field_2: 10119-

2шт.

44

01010-61440

BOLT

Field_2: 10119-

20шт.

45

01643-31445

WASHER

Field_2: 10119-

20шт.

46

423-23-23170

SLEEVE

Field_2: 10119-

1шт.

Выбрано товаров: 58