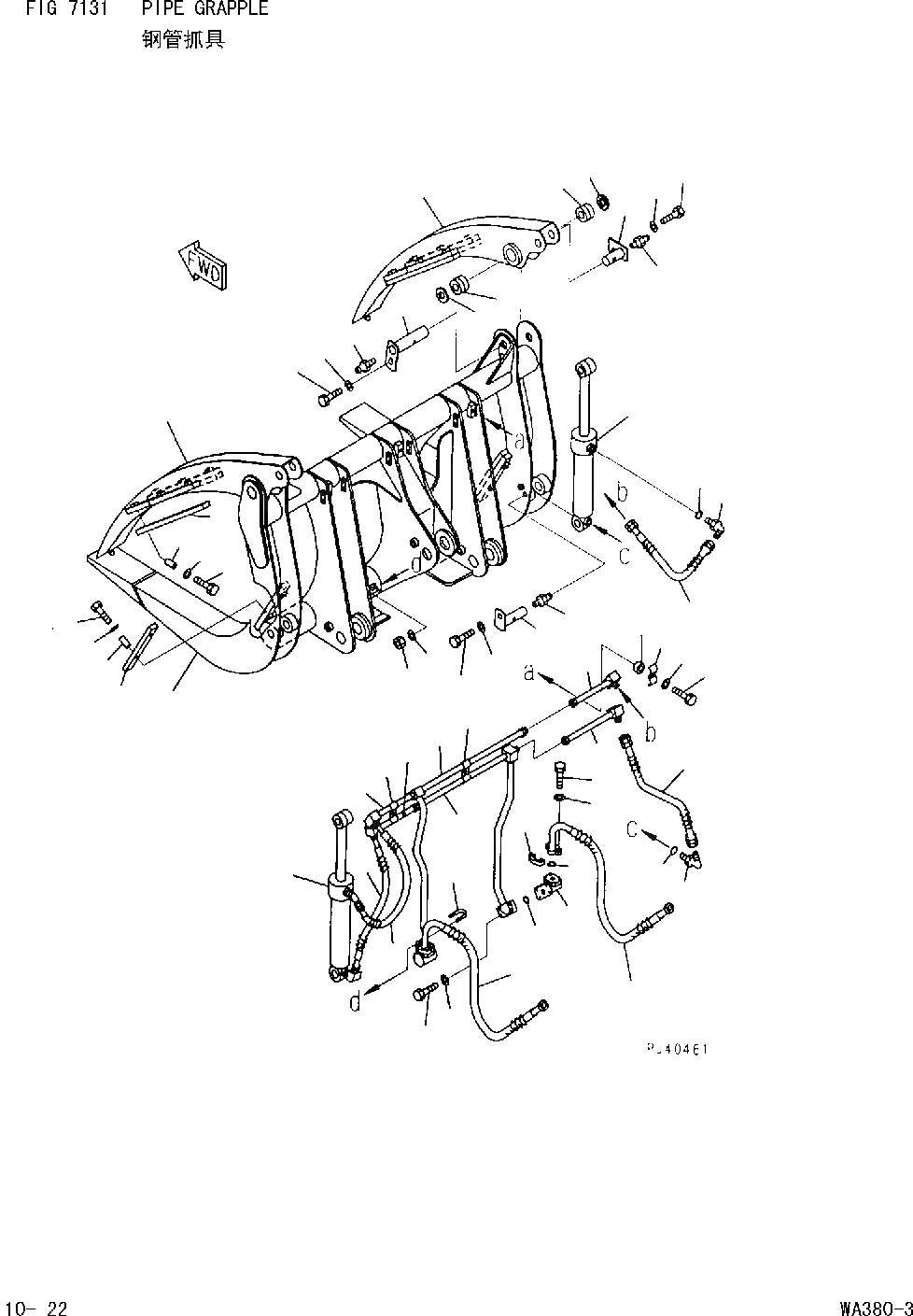
Запчасти Komatsu WA380-DZ-3 PIPE ЗАХВАТ [НАВЕСН.ОБОРУД OPT ]

Схема запчастей Komatsu WA380-DZ-3 - PIPE ЗАХВАТ [НАВЕСН.ОБОРУД OPT ]
2
7
8
6
5
4
3
38
37
40
39
43
44
42
41
1
31
32
13
14
11
12
26
33
26
21
33
9
27
22
30
17
27
24
25
15
15
23
20
16
29
28
19
18
26
27
26
34
33
36
9
29
28
27
35
12
2
3
4
10
14
13
FIT
1:1
100%

Артикул

Название

Примечание

Количество

1

423-FK-01112

CARRIER

Field_2: 10119-

1шт.

|$2

423-FK-Z0020

ARM ASS'Y

Field_2: 10119-

2шт.

2

423-FK-Z0030

ARM

Field_2: 10119-

1шт.

3

417-70-11860

BUSHING

Field_2: 10119-

2шт.

4

417-09-11120

SEAL,DUST

Field_2: 10119-

4шт.

5

419-881-1250

PIN

Field_2: 10119-

2шт.

6

07020-00000

FITTING,GREASE

Field_2: 10119-

2шт.

7

01010-61625

BOLT

Field_2: 10119-

2шт.

8

421-70-11280

WASHER

Field_2: 10119-

2шт.

9

707-00-10040

CYLINDER ASS'Y

Field_2: 10119-

2шт.

10

419-881-1260

PIN

Field_2: 10119-

2шт.

11

419-880-1190

PIN

Field_2: 10119-

2шт.

12

07020-00000

FITTING,GREASE

Field_2: 10119-

4шт.

13

01010-61220

BOLT

Field_2: 10119-

4шт.

14

175-54-34170

WASHER

Field_2: 10119-

4шт.

15

07124-21010

HOSE

Field_2: 10119-

2шт.

16

07000-13032

O-RING

Field_2: 10119-

2шт.

17

07371-31049

FLANGE,SPLIT

Field_2: 10119-

4шт.

18

07372-21035

BOLT

Field_2: 10119-

8шт.

19

01643-51032

WASHER

Field_2: 10119-

8шт.

20

07128-11000

JOINT,SWIVEL

Field_2: 10119-

2шт.

|$22

0

JOINT,SWIVEL

Field_2: 10119-

2шт.

21

423-880-1151

TUBE,,L.H

Field_2: 10119-

1шт.

22

423-880-1161

TUBE,R.H

Field_2: 10119-

1шт.

23

07000-13035

O-RING

Field_2: 10119-

2шт.

24

01010-61060

BOLT

Field_2: 10119-

8шт.

25

01643-51032

WASHER

Field_2: 10119-

8шт.

26

423-880-1141

TUBE

Field_2: 10119-

4шт.

27

07123-20607

HOSE

Field_2: 10119-

4шт.

28

07235-10628

ELBOW

Field_2: 10119-

4шт.

29

07002-12434

O-RING

Field_2: 10119-

4шт.

30

07283-23442

CLIP

Field_2: 10119-

2шт.

31

01597-01009

NUT

Field_2: 10119-

4шт.

32

01643-31032

WASHER

Field_2: 10119-

4шт.

33

425-880-1380

CLAMP

Field_2: 10119-

3шт.

34

203-62-21720

SPACER

Field_2: 10119-

3шт.

35

01010-61040

BOLT

Field_2: 10119-

3шт.

36

01643-31032

WASHER

Field_2: 10119-

3шт.

37

423-FK-00021

RUBBER

Field_2: 10119-

4шт.

38

423-FK-00140

SPACER

Field_2: 10119-

12шт.

39

01010-81270

BOLT

Field_2: 10119-

12шт.

40

423-FK-00010

WASHER

Field_2: 10119-

12шт.

41

423-FK-00030

RUBBER

Field_2: 10119-

2шт.

42

423-FK-00150

SPACER

Field_2: 10119-

4шт.

43

01010-81275

BOLT

Field_2: 10119-

4шт.

44

423-FK-00010

WASHER

Field_2: 10119-

4шт.

Выбрано товаров: 0