Запчасти Komatsu WA380-DZ-3 ФОРСУНКА [ДВИГАТЕЛЬ SD(KCCM) SERIAL NO. И UP]

Схема запчастей Komatsu WA380-DZ-3 - ФОРСУНКА [ДВИГАТЕЛЬ SD(KCCM) SERIAL NO. И UP]
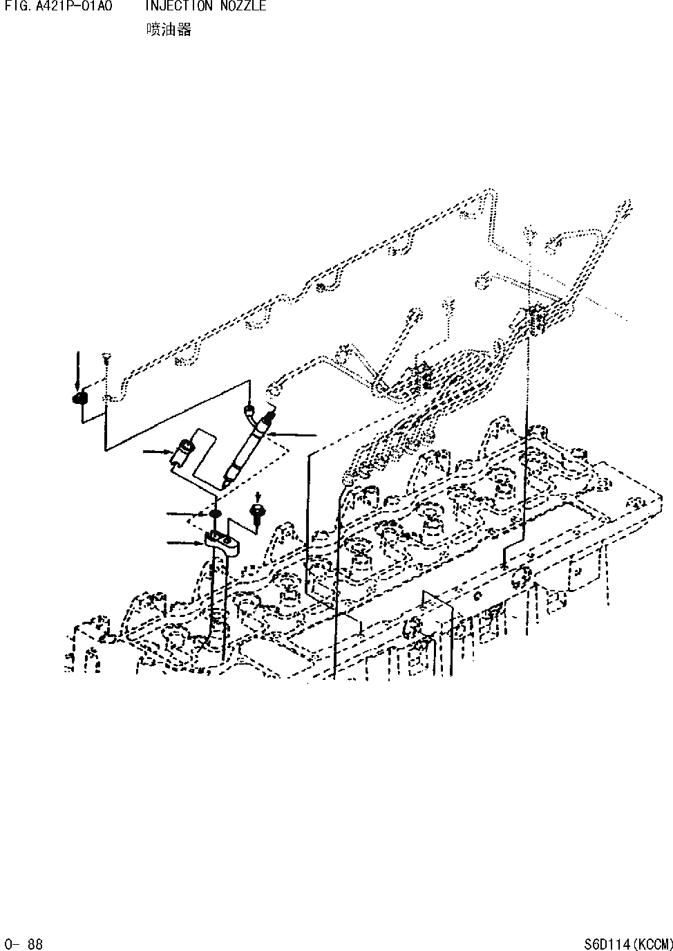
1
2
3
6
4
5
FIT
1:1
100%

Артикул

Название

Примечание

Количество

|$1

6742-01-3080

NOZZLE HOLDER ASS'Y(SEE FIG,A421P-02A0

Field_2: 45343246-

6шт.

1

6732-71-6230

GASKET

Field_2: 45343246-

1шт.

2

6742-01-0740

GASKET

Field_2: 45343246-

1шт.

3

6736-11-3430

GASKET

Field_2: 45343246-

1шт.

4

0

HOLDER

Field_2: 45343246-

1шт.

5

6736-81-8730

BOLT

Field_2: 45343246-

6шт.

6

6742-01-3100

CLAMP

Field_2: 45343246-

6шт.

Выбрано товаров: 0