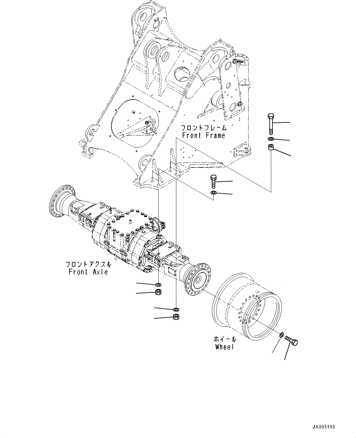
Запчасти Komatsu WA380Z-6 ПЕРЕДНИЙ МОСТ, БОЛТ (№87-) ПЕРЕДНИЙ МОСТ, БЕЗ САМОБЛОКИР. ДИФФЕРЕНЦ.

Схема запчастей Komatsu WA380Z-6 - ПЕРЕДНИЙ МОСТ, БОЛТ (№87-) ПЕРЕДНИЙ МОСТ, БЕЗ САМОБЛОКИР. ДИФФЕРЕНЦ.
3
5
4
5
7
6
5
5
6
1
2
FIT
1:1
100%

Артикул

Название

Примечание

Количество

1

419-22-12870

Bolt

SN: 66847-UP

36шт.

2

01643-32460

Washer

SN: 66847-UP

36шт.

3

01011-62770

Bolt

SN: 66847-UP

4шт.

4

423-46-43120

Bolt

SN: 66847-UP

4шт.

5

01643-32780

Washer

SN: 66847-UP

16шт.

6

01580-02722

Nut

SN: 66847-UP

8шт.

7

419-46-37120

Spacer

SN: 66847-UP

4шт.

Выбрано товаров: 7