Запчасти Komatsu WA380Z-6 ГИДРАВЛ УПРАВЛЯЮЩ. КЛАПАН, КОМПОНЕНТЫ (/) (№87-) ГИДРАВЛ УПРАВЛЯЮЩ. КЛАПАН, С 2-Х СЕКЦИОНН. УПРАВЛЯЮЩ. КЛАПАН

Схема запчастей Komatsu WA380Z-6 - ГИДРАВЛ УПРАВЛЯЮЩ. КЛАПАН, КОМПОНЕНТЫ (/) (№87-) ГИДРАВЛ УПРАВЛЯЮЩ. КЛАПАН, С 2-Х СЕКЦИОНН. УПРАВЛЯЮЩ. КЛАПАН
4
3
4
3
2
1
3
4
3
4
FIT
1:1
100%

Артикул

Название

Примечание

Количество

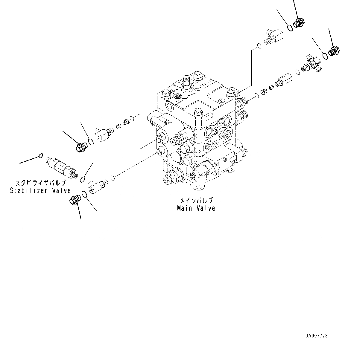
1

02896-11009

O-ring

SN: 66847-UP

1шт.

2

07002-11423

O-ring

SN: 66847-UP

1шт.

3

423-62-52290

Plug

SN: 66847-UP

4шт.

4

07002-11023

O-ring

SN: 66847-UP

4шт.

Выбрано товаров: 4