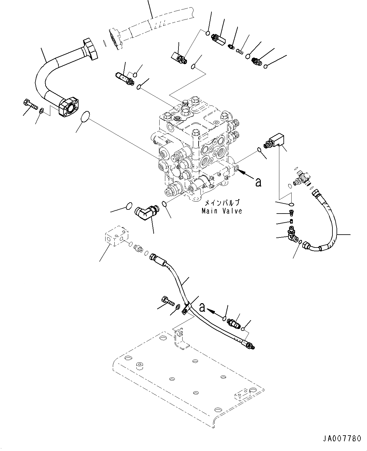
Запчасти Komatsu WA380Z-6 ГИДРАВЛ УПРАВЛЯЮЩ. КЛАПАН, КОМПОНЕНТЫ (/) (№87-) ГИДРАВЛ УПРАВЛЯЮЩ. КЛАПАН, С 2-Х СЕКЦИОНН. УПРАВЛЯЮЩ. КЛАПАН

Схема запчастей Komatsu WA380Z-6 - ГИДРАВЛ УПРАВЛЯЮЩ. КЛАПАН, КОМПОНЕНТЫ (/) (№87-) ГИДРАВЛ УПРАВЛЯЮЩ. КЛАПАН, С 2-Х СЕКЦИОНН. УПРАВЛЯЮЩ. КЛАПАН
31
30
29
28
27
26
25
32
1
2
3
4
5
6
7
8
9
36
34
35
16
15
14
13
12
11
10
33
24
23
22
21
20
19
18
17
FIT
1:1
100%

Артикул

Название

Примечание

Количество

1

20Y-62-23541

Elbow

SN: 66847-UP

1шт.

2

07002-11423

O-ring

SN: 66847-UP

1шт.

2

20Y-62-41701

Valve Assembly

SN: 66847-UP

1шт.

3

Body

SN: 66847-UP

1шт.

4

20Y-60-22270

Poppet

SN: 66847-UP

1шт.

5

701-20-61230

Spring

SN: 66847-UP

1шт.

6

07002-11423

O-ring

SN: 66847-UP

1шт.

7

20Y-62-47630

Nipple

SN: 66847-UP

1шт.

8

07002-11423

O-ring

SN: 66847-UP

1шт.

9

02896-11008

O-ring

SN: 66847-UP

1шт.

10

02782-10212

Elbow

SN: 66847-UP

1шт.

11

07002-11423

O-ring

SN: 66847-UP

1шт.

12

02896-11008

O-ring

SN: 66847-UP

1шт.

13

423-62-34190

Tube

SN: 66847-UP

1шт.

14

07000-13035

O-ring

SN: 66847-UP

1шт.

15

07372-21040

Bolt

SN: 66847-UP

4шт.

16

01643-51032

Washer

SN: 66847-UP

4шт.

17

21W-62-35820

Elbow

SN: 66847-UP

1шт.

18

07002-11423

O-ring

SN: 66847-UP

1шт.

18

423-62-43990

Valve Assembly

SN: 66847-UP

1шт.

19

423-62-44110

Elbow

SN: 66847-UP

1шт.

20

203-60-62320

Poppet

SN: 66847-UP

1шт.

21

423-62-35310

Plug

SN: 66847-UP

1шт.

22

02896-11009

O-ring

SN: 66847-UP

1шт.

23

07002-11423

O-ring

SN: 66847-UP

1шт.

24

02761-00303

Hose

SN: 66847-UP

1шт.

25

02782-10210

Elbow

SN: 66847-UP

1шт.

26

02896-11008

O-ring

SN: 66847-UP

1шт.

27

07002-11423

O-ring

SN: 66847-UP

1шт.

28

423-62-43620

Hose

SN: 66847-UP

1шт.

29

04434-51010

Clip

SN: 66847-UP

1шт.

30

01010-81020

Bolt

SN: 66847-UP

1шт.

31

01643-31032

Washer

SN: 66847-UP

1шт.

32

02782-10311

Elbow

SN: 66847-UP

1шт.

33

02896-11009

O-ring

SN: 66847-UP

1шт.

34

07002-11423

O-ring

SN: 66847-UP

1шт.

35

423-62-41480

Hose

SN: UP

-1шт.

36

432-62-11520

Valve, Shuttle

SN: UP

-1шт.

Выбрано товаров: 38