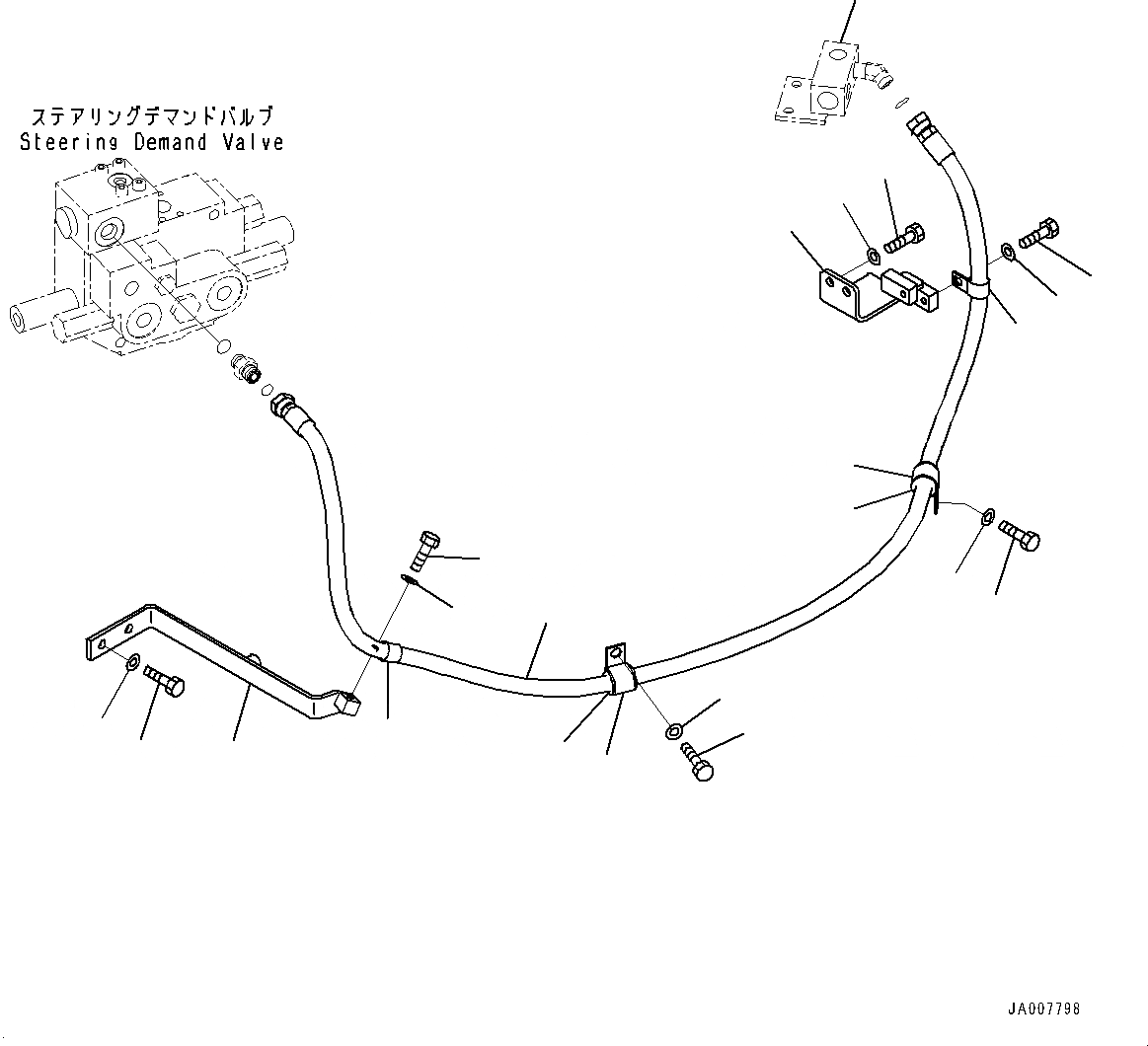
Запчасти Komatsu WA380Z-6 ГИДРОЛИНИЯ, РУЛЕВ. УПРАВЛЕНИЕ ДРЕНАЖН. ТРУБЫ (№87-) ГИДРОЛИНИЯ, С 3-Х СЕКЦ. КОНТР. КЛАПАНОМ

Схема запчастей Komatsu WA380Z-6 - ГИДРОЛИНИЯ, РУЛЕВ. УПРАВЛЕНИЕ ДРЕНАЖН. ТРУБЫ (№87-) ГИДРОЛИНИЯ, С 3-Х СЕКЦ. КОНТР. КЛАПАНОМ
6
18
8
7
9
11
10
3
2
5
4
2
3
5
4
14
13
1
12
15
16
17
FIT
1:1
100%

Артикул

Название

Примечание

Количество

1

423-62-45280

Hose

SN: 66847-UP

1шт.

2

04434-52712

Clip

SN: 66847-UP

2шт.

3

07095-20418

Cushion

SN: 66847-UP

2шт.

4

01010-81020

Bolt

SN: 66847-UP

2шт.

5

01643-31032

Washer

SN: 66847-UP

2шт.

6

423-62-41261

Bracket

SN: 66847-UP

1шт.

7

01010-81025

Bolt

SN: 66847-UP

2шт.

8

01643-31032

Washer

SN: 66847-UP

2шт.

9

04434-51810

Clip

SN: 66847-UP

1шт.

10

01010-81020

Bolt

SN: 66847-UP

1шт.

11

01643-31032

Washer

SN: 66847-UP

1шт.

12

423-62-45180

Bracket

SN: 66847-UP

1шт.

13

01010-D1025

Bolt

SN: 66847-UP

2шт.

14

01643-71032

Washer

SN: 66847-UP

2шт.

15

04434-51810

Clip

SN: 66847-UP

1шт.

16

01010-81020

Bolt

SN: 66847-UP

1шт.

17

01643-31032

Washer

SN: 66847-UP

1шт.

18

423-43-47650

Block

SN: UP

-1шт.

Выбрано товаров: 18