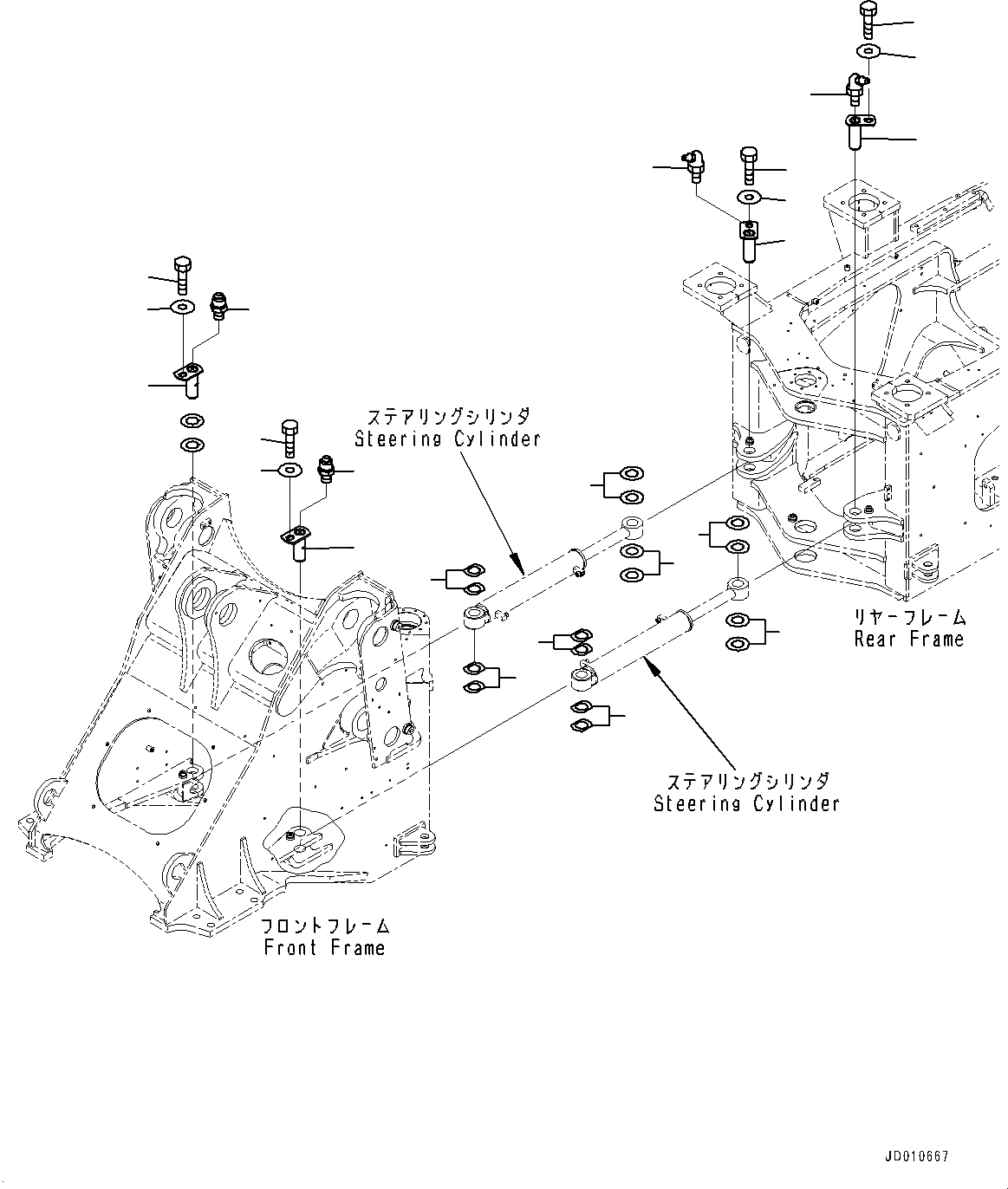
Запчасти Komatsu WA380Z-6 ЦИЛИНДР РУЛЕВ. УПР-Я, ПАЛЕЦ (№87-) ЦИЛИНДР РУЛЕВ. УПР-Я

Схема запчастей Komatsu WA380Z-6 - ЦИЛИНДР РУЛЕВ. УПР-Я, ПАЛЕЦ (№87-) ЦИЛИНДР РУЛЕВ. УПР-Я
4
1
3
3
1
4
7
4
6
2
3
7
6
4
3
2
5
5
5
5
5
5
5
5
FIT
1:1
100%

Артикул

Название

Примечание

Количество

1

423-46-21180

Pin

SN: 66847-UP

2шт.

2

423-46-21180

Pin

SN: 66847-UP

2шт.

3

01010-81220

Bolt

SN: 66847-UP

4шт.

4

175-54-34170

Washer

SN: 66847-UP

4шт.

5

416-70-00070

Shim Assembly

SN: 66847-UP

1шт.

5

Shim, T=1.0mm

SN: 66847-UP

8шт.

5

Shim, T=0.5mm

SN: 66847-UP

8шт.

5

Shim, T=1.0mm

SN: 66847-UP

8шт.

5

Shim, T=0.5mm

SN: 66847-UP

8шт.

6

423-09-12110

Connector

SN: 66847-UP

2шт.

7

07020-00675

Fitting, Grease

SN: 66847-UP

2шт.

Выбрано товаров: 11