Запчасти Komatsu WA380Z-6 СУППОРТЫ КАБИНЫ(№87-) ПОЛ СУППОРТ, БЕЗ MONOCOQUE ТИП КАБИНА ROPS

Схема запчастей Komatsu WA380Z-6 - СУППОРТЫ КАБИНЫ(№87-) ПОЛ СУППОРТ, БЕЗ MONOCOQUE ТИП КАБИНА ROPS
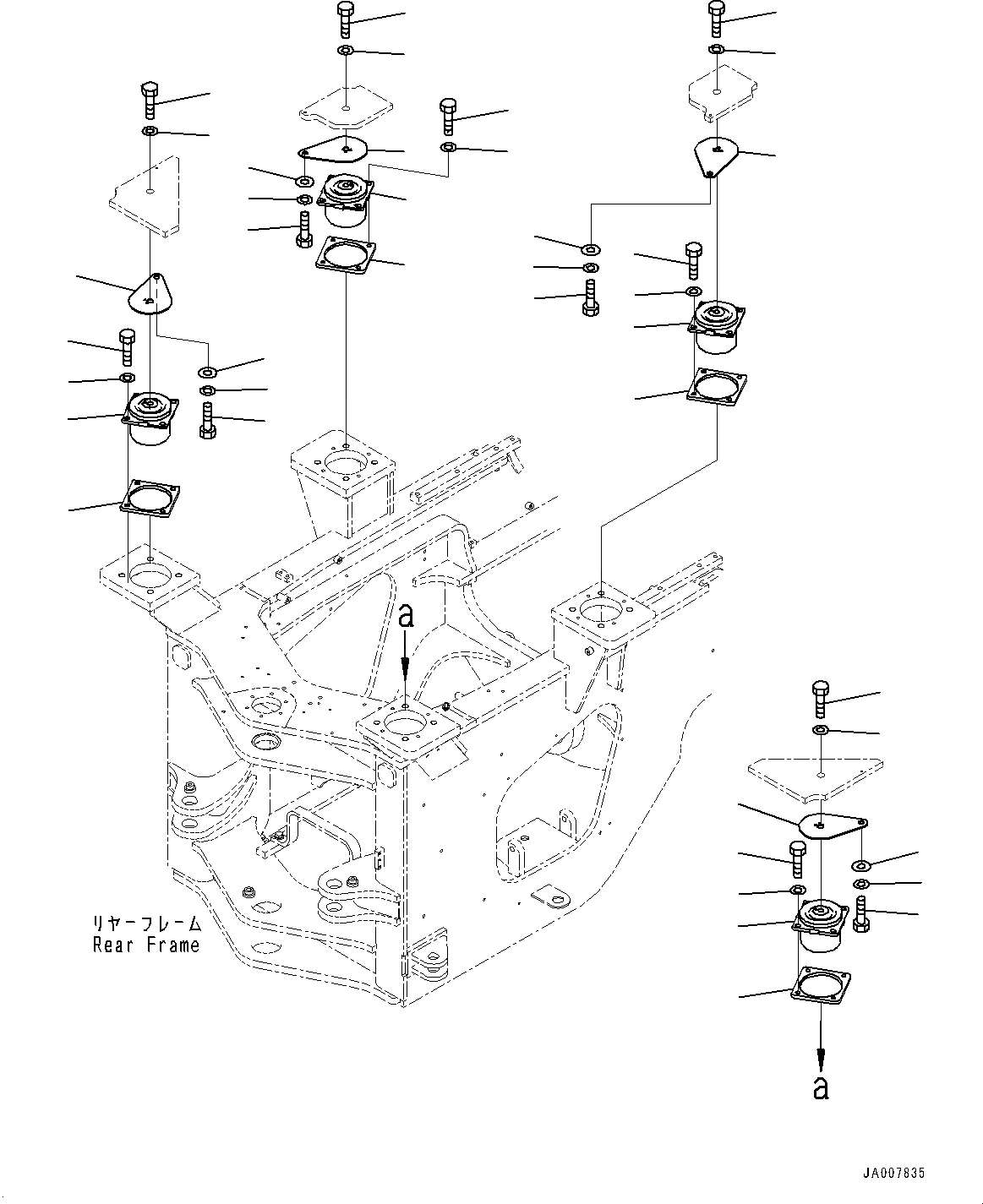
1
2
3
4
7
8
9
10
6
5
6
5
7
1
2
4
3
8
9
10
5
6
1
2
3
4
7
8
9
10
6
5
7
4
3
2
1
8
9
10
FIT
1:1
100%

Артикул

Название

Примечание

Количество

1

423-54-53111

Viscous Mount

SN: 66847-UP

4шт.

2

423-54-43120

Plate

SN: 66847-UP

4шт.

3

01010-81240

Bolt

SN: 66847-UP

16шт.

4

01643-31232

Washer

SN: 66847-UP

16шт.

5

01643-32060

Washer

SN: 66847-UP

4шт.

6

01010-82060

Bolt

SN: 66847-UP

4шт.

7

423-54-43110

Spacer

SN: 66847-UP

4шт.

8

01643-31032

Washer

SN: 66847-UP

4шт.

9

01010-80820

Bolt

SN: 66847-UP

4шт.

10

01643-30823

Washer

SN: 66847-UP

4шт.

Выбрано товаров: 0