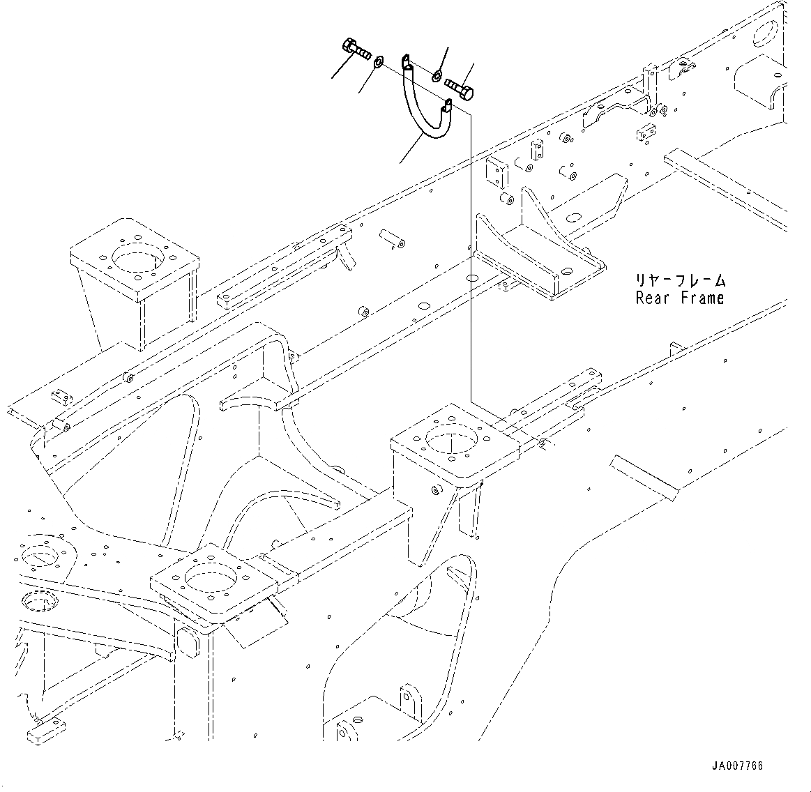
Запчасти Komatsu WA380Z-6 ЗАДН. ПРОВОДКА, GROUND КАБЕЛЬ (№87-) ЗАДН. ПРОВОДКА, БЕЗ ЭКСТРЕНН. РУЛЕВ. УПРАВЛЕНИЕ, АВТОМАТИЧ. УПРАВЛ-Е ТИП

Схема запчастей Komatsu WA380Z-6 - ЗАДН. ПРОВОДКА, GROUND КАБЕЛЬ (№87-) ЗАДН. ПРОВОДКА, БЕЗ ЭКСТРЕНН. РУЛЕВ. УПРАВЛЕНИЕ, АВТОМАТИЧ. УПРАВЛ-Е ТИП
1
2
3
5
4
FIT
1:1
100%

Артикул

Название

Примечание

Количество

1

08028-EF045

Cable, Ground

SN: 66847-UP

1шт.

2

01010-81220

Bolt

SN: 66847-UP

1шт.

3

01643-31232

Washer

SN: 66847-UP

1шт.

4

01010-81220

Bolt

SN: 66847-UP

1шт.

5

01643-31232

Washer

SN: 66847-UP

1шт.

Выбрано товаров: 5