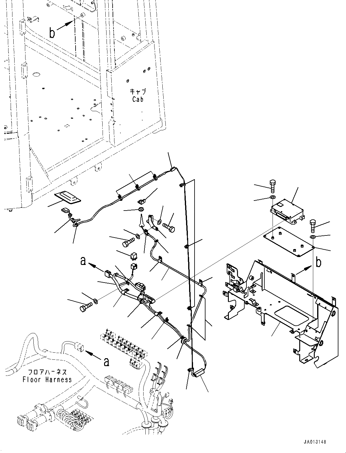
Запчасти Komatsu WA380Z-6 KOMTRAX КОНТРОЛЛЕР И АНТЕННА (№9-) KOMTRAX КОНТРОЛЛЕР И АНТЕННА, GPRS

Схема запчастей Komatsu WA380Z-6 - KOMTRAX КОНТРОЛЛЕР И АНТЕННА (№9-) KOMTRAX КОНТРОЛЛЕР И АНТЕННА, GPRS
1
2
3
4
5
6
7
8
9
10
11
12
13
14
15
16
17
18
20
21
22
23
24
25
26
27
28
29
30
31
32
33
3
3
3
20
19
19
17
FIT
1:1
100%

Артикул

Название

Примечание

Количество

1

423-06-45740

Antenna Assembly

SN: 66943-UP

1шт.

2

08034-40521

Band

SN: 66943-UP

1шт.

3

08059-00515

Clip

SN: 66943-UP

8шт.

4

423-925-4980

Duct

SN: 66943-UP

1шт.

5

08037-02512

Grommet

SN: 66943-UP

1шт.

6

425-926-3921

Cover

SN: 66943-UP

1шт.

7

423-S52-4340

Duct

SN: 66943-UP

1шт.

8

423-06-47450

Bracket

SN: 66943-UP

1шт.

9

423-06-47460

Plate

SN: 66943-UP

1шт.

10

01010-80616

Bolt

SN: 66943-UP

1шт.

11

01643-30623

Washer

SN: 66943-UP

1шт.

12

08037-01610

Grommet

SN: 66943-UP

1шт.

13

423-06-47470

Antenna Assembly

SN: 66943-UP

1шт.

14

04434-50808

Clip

SN: 66943-UP

1шт.

15

01010-80616

Bolt

SN: 66943-UP

1шт.

16

01643-30623

Washer

SN: 66943-UP

1шт.

17

04434-50810

Clip

SN: 66943-UP

2шт.

18

04435-50810

Clip

SN: 66943-UP

1шт.

19

08034-40521

Band

SN: 66943-UP

3шт.

20

08034-20519

Band

SN: 66943-UP

2шт.

21

423-06-47480

Bracket

SN: 66943-UP

1шт.

22

7826-25-5301

Controller, KOMTRAX

SN: 66943-UP

1шт.

23

01010-80620

Bolt

SN: 66943-UP

4шт.

24

01643-30623

Washer

SN: 66943-UP

4шт.

25

423-06-47440

Wiring Harness

SN: 66943-UP

1шт.

26

04434-51410

Clip

SN: 66943-UP

1шт.

27

569-06-61960

Relay

SN: 66943-UP

1шт.

28

04434-51010

Clip

SN: 66943-UP

1шт.

29

01010-81016

Bolt

SN: 66943-UP

1шт.

30

01643-31032

Washer

SN: 66943-UP

1шт.

31

423-06-47420

Bracket

SN: 66943-UP

1шт.

32

01010-80816

Bolt

SN: 66943-UP

4шт.

33

01643-30823

Washer

SN: 66943-UP

4шт.

Выбрано товаров: 33