Запчасти Komatsu WA380Z-6 ПОЗИЦИОНЕР КОВША(№87-) КОВШ ПОЗИЦИОНЕР, С ЗАХВАТОМ ДЛЯ БРЕВЕН

Схема запчастей Komatsu WA380Z-6 - ПОЗИЦИОНЕР КОВША(№87-) КОВШ ПОЗИЦИОНЕР, С ЗАХВАТОМ ДЛЯ БРЕВЕН
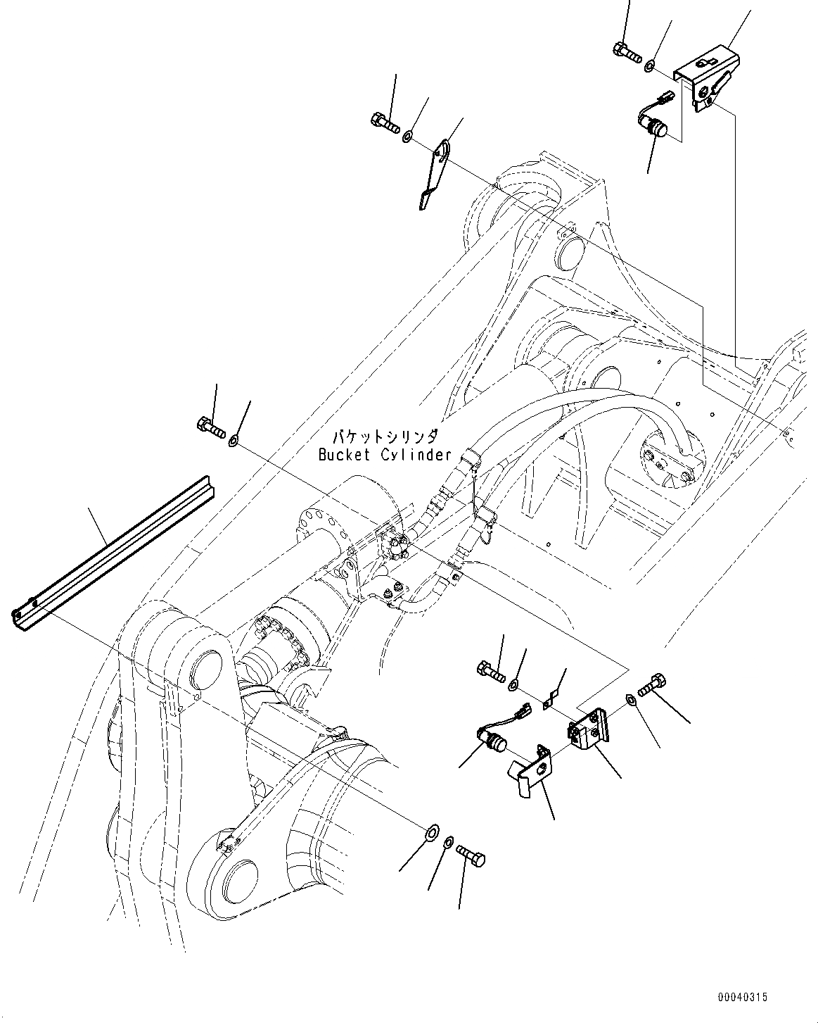
1
2
3
4
5
6
7
8
9
10
11
12
13
14
15
16
17
18
19
20
21
FIT
1:1
100%

Артикул

Название

Примечание

Количество

1

419-43-29110

Bracket

SN: 66847-UP

1шт.

2

01010-81240

Bolt

SN: 66847-UP

2шт.

3

01643-31232

Washer

SN: 66847-UP

2шт.

4

08193-20010

Clip

SN: 66847-UP

1шт.

5

01010-81025

Bolt

SN: 66847-UP

1шт.

6

01643-31032

Washer

SN: 66847-UP

1шт.

7

421-43-29120

Bracket

SN: 66847-UP

1шт.

8

01010-81230

Bolt

SN: 66847-UP

2шт.

9

01643-31232

Washer

SN: 66847-UP

2шт.

10

56B-06-15610

Switch

SN: 66847-UP

1шт.

11

423-43-39110

Angle

SN: 66847-UP

1шт.

|$11

423-884-3140

Angle

SN: 66847-UP

1шт.

12

01010-81240

Bolt

SN: 66847-UP

2шт.

13

01643-31232

Washer

SN: 66847-UP

2шт.

14

6113-63-1630

Shim, T=0.2mm

SN: 66847-UP

2шт.

14

6113-63-1640

Shim, T=0.5mm

SN: 66847-UP

1шт.

15

423-43-39230

Plate

SN: 66847-UP

1шт.

16

01010-81020

Bolt

SN: 66847-UP

2шт.

17

01643-31032

Washer

SN: 66847-UP

2шт.

18

423-43-49240

Bracket

SN: 66847-UP

1шт.

19

01010-81225

Bolt

SN: 66847-UP

2шт.

20

01643-31232

Washer

SN: 66847-UP

2шт.

21

56B-06-15610

Switch

SN: 66847-UP

1шт.

Выбрано товаров: 0